Например TDA7294

Форум РадиоКот • Просмотр темы - Плавный пуск, и регуляровка мощности пылесоса на семисторах.
Форум РадиоКот
Здесь можно немножко помяукать :)

Текущее время: Пт дек 19, 2025 14:31:23

Часовой пояс: UTC + 3 часа


ПРЯМО СЕЙЧАС:



Начать новую тему Ответить на тему  [ Сообщений: 20 ] 
Автор Сообщение
Не в сети
 Заголовок сообщения: Плавный пуск, и регуляровка мощности пылесоса на семисторах.
СообщениеДобавлено: Сб янв 27, 2024 22:15:30 
Прорезались зубы

Карма: 6
Рейтинг сообщений: 5
Зарегистрирован: Пн ноя 14, 2011 22:48:42
Сообщений: 213
Рейтинг сообщения: 0
Подскажите в чем может быть дело. Никогда не работал с семисторами, да и в целом переменку не очень люблю из-за её высокого напряжения опасного для жизни)
Но хочу собрать самодельный пылесос, купил на али модуль плавного пуска, и модуль регулировки мощности. Первый модуль в компауде, второй нет. Второй на семисторе. Первый наверно тоже. Сужу по осцилограмме.
По отдельности они оба работают, плавный пуск запускает и пылесос и лампочку. А регулятор, регулирует и мощность мотора, и лампочку.
Но вместе они не работают. Включаю их последовательно. Точнее работает только с выкрученной мощностью на максимум, включается плавно и все. Если регулирую мощность в сторону уменьшения то просто вырубается. Не пойму , толи я чего то не понимаю, толи что то не так подключил, так как переменное напряжение меня немного путает)
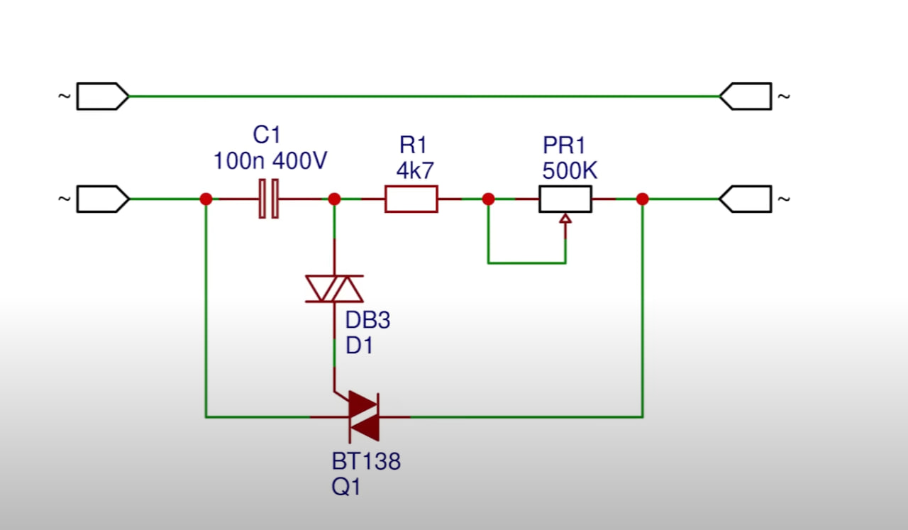
Схема регулятора мощности предположительно вот эта
Вложение:
semistr.jpg [44.77 KiB]
Скачиваний: 336

Ну и вот форма сигнала с регулятора, на малой мощности:
Вложение:
semistr2.jpg [190.13 KiB]
Скачиваний: 261


Вернуться наверх
 
Не в сети
 Заголовок сообщения: Re: Плавный пуск, и регуляровка мощности пылесоса на семисто
СообщениеДобавлено: Вс янв 28, 2024 09:09:26 
Друг Кота
Аватар пользователя

Карма: 139
Рейтинг сообщений: 2918
Зарегистрирован: Чт янв 10, 2008 22:01:02
Сообщений: 24612
Откуда: Московская область, Фрязино
Рейтинг сообщения: 0
Для работы симисторного регулятора нужно иметь на входе синусоиду. То есть два симисторных регулятора последовательно работать не будут.
ЗЫ. Симистор пишут через букву "И". Патамушта он сИмметричный тиристор.
ЗЗЫ. На фото диаграмма на осциллографе показана безграмотно. Входной сигнал превышает динамический диапазон осциллографа.


Вернуться наверх
 
Не в сети
 Заголовок сообщения: Re: Плавный пуск, и регуляровка мощности пылесоса на семисто
СообщениеДобавлено: Вс янв 28, 2024 15:11:38 
Прорезались зубы

Карма: 6
Рейтинг сообщений: 5
Зарегистрирован: Пн ноя 14, 2011 22:48:42
Сообщений: 213
Рейтинг сообщения: 0
Для работы симисторного регулятора нужно иметь на входе синусоиду. То есть два симисторных регулятора последовательно работать не будут.
ЗЫ. Симистор пишут через букву "И". Патамушта он сИмметричный тиристор.
ЗЗЫ. На фото диаграмма на осциллографе показана безграмотно. Входной сигнал превышает динамический диапазон осциллографа.

То что я безграмотный я уже понял, я об этом и подумал что последовательно работать не будут. так как без нагрузки он так же не работает.
То-есть надо на один симистр сажать нагрузку, и на нем и плавный пуск делать, и регулировку мощности. Как лучше всего это сделать? Возможно без применение микроконтроллера?
п.с. по поводу осциллографа это видео. скрин из видео. Так как это максимальное разрешение у осциллографа. 50вольт клетка. клеток 8. )


Вернуться наверх
 
Не в сети
 Заголовок сообщения: Re: Плавный пуск, и регуляровка мощности пылесоса на семисто
СообщениеДобавлено: Вс янв 28, 2024 15:33:54 
Друг Кота
Аватар пользователя

Карма: 139
Рейтинг сообщений: 2918
Зарегистрирован: Чт янв 10, 2008 22:01:02
Сообщений: 24612
Откуда: Московская область, Фрязино
Рейтинг сообщения: 0
А ничего, что можно дополнительный входной делитель сделать, чтобы на экране уместилась вся диаграмма по вертикали?
Симистор открывается током управляющего электрода (достаточно отпирающего импульса - далее симистор останется открытым), а закрывается уменьшением ТОКА ЧЕРЕЗ САМ ТИРИСТОР до нуля. Поэтому если тока нагрузки нет, то тиристор и не откроется.


Вернуться наверх
 
Эиком - электронные компоненты и радиодетали
Не в сети
 Заголовок сообщения: Re: Плавный пуск, и регуляровка мощности пылесоса на семисто
СообщениеДобавлено: Вс янв 28, 2024 15:47:25 
Прорезались зубы

Карма: 6
Рейтинг сообщений: 5
Зарегистрирован: Пн ноя 14, 2011 22:48:42
Сообщений: 213
Рейтинг сообщения: 0
А ничего, что можно дополнительный входной делитель сделать, чтобы на экране уместилась вся диаграмма по вертикали?
Симистор открывается током управляющего электрода (достаточно отпирающего импульса - далее симистор останется открытым), а закрывается уменьшением ТОКА ЧЕРЕЗ САМ ТИРИСТОР до нуля. Поэтому если тока нагрузки нет, то тиристор и не откроется.

Я не работал с переменным напряжением. Если вы имеете ввиду делитель из резисторов, я понял погуглю как делают на переменку.
Я понял вы пишите почему не работает. А как сделать чтобы работала задумка?)


Вернуться наверх
 
Не в сети
 Заголовок сообщения: Re: Плавный пуск, и регуляровка мощности пылесоса на семисто
СообщениеДобавлено: Вс янв 28, 2024 16:46:05 
Модератор
Аватар пользователя

Карма: 159
Рейтинг сообщений: 4072
Зарегистрирован: Пт янв 23, 2009 19:20:05
Сообщений: 45209
Рейтинг сообщения: 0
Медали: 1
Получил миской по аватаре (1)
Чтоб задумка сработала, плавный запуск нужно добавить в схему регулятора мощности (на самом деле - это не так уж сложно...)


Вернуться наверх
 
Не в сети
 Заголовок сообщения: Re: Плавный пуск, и регуляровка мощности пылесоса на семисто
СообщениеДобавлено: Вс янв 28, 2024 17:13:02 
Прорезались зубы

Карма: 6
Рейтинг сообщений: 5
Зарегистрирован: Пн ноя 14, 2011 22:48:42
Сообщений: 213
Рейтинг сообщения: 0
Чтоб задумка сработала, плавный запуск нужно добавить в схему регулятора мощности (на самом деле - это не так уж сложно...)

Чувствую придется ковырять компауд чтоб срисовать схему, и уже думать и спрашивать. Я тоже об этом думал. Но думаю перед тем как ковырять спрошу лучше.


Вернуться наверх
 
Не в сети
 Заголовок сообщения: Re: Плавный пуск, и регуляровка мощности пылесоса на семисто
СообщениеДобавлено: Вс янв 28, 2024 17:48:08 
Друг Кота
Аватар пользователя

Карма: 5
Рейтинг сообщений: 61
Зарегистрирован: Ср сен 30, 2020 16:51:47
Сообщений: 4625
Откуда: РФ
Рейтинг сообщения: 0
А как сделать чтобы работала задумка?)

ЛАТР.


Вернуться наверх
 
Не в сети
 Заголовок сообщения: Re: Плавный пуск, и регуляровка мощности пылесоса на семисто
СообщениеДобавлено: Вс янв 28, 2024 18:27:22 
Прорезались зубы

Карма: 6
Рейтинг сообщений: 5
Зарегистрирован: Пн ноя 14, 2011 22:48:42
Сообщений: 213
Рейтинг сообщения: 0
А как сделать чтобы работала задумка?)

ЛАТР.

Размером не более 5 на 5 на 5см


Вернуться наверх
 
Не в сети
 Заголовок сообщения: Re: Плавный пуск, и регуляровка мощности пылесоса на семисто
СообщениеДобавлено: Вс янв 28, 2024 18:45:45 
Друг Кота
Аватар пользователя

Карма: 59
Рейтинг сообщений: 2218
Зарегистрирован: Чт янв 26, 2012 16:44:29
Сообщений: 19551
Откуда: Таксимо
Рейтинг сообщения: 0
Да легко, хоть 1на 1на 1

Добавлено after 1 minute 59 seconds:
Re: Плавный пуск, и регуляровка мощности пылесоса на семисторах.
Я вобще не представляю пылесос с плавным пуском. Был один, я психанул и переделал его. Пять раз нажимаешь включился или нет блин

_________________
Мои поставщики запчастей с отличной репутацией
texnomag.ru
radioremont.com
pl-1.org
4ip.info
elitan.ru


Вернуться наверх
 
Не в сети
 Заголовок сообщения: Re: Плавный пуск, и регуляровка мощности пылесоса на семисто
СообщениеДобавлено: Вс янв 28, 2024 18:47:17 
Друг Кота
Аватар пользователя

Карма: 5
Рейтинг сообщений: 61
Зарегистрирован: Ср сен 30, 2020 16:51:47
Сообщений: 4625
Откуда: РФ
Рейтинг сообщения: 0
Я вобще не представляю пылесос с плавным пуском.

Хотелось бы ещё знать для чего такой пылесос вообще нужен.


Вернуться наверх
 
Не в сети
 Заголовок сообщения: Re: Плавный пуск, и регуляровка мощности пылесоса на семисто
СообщениеДобавлено: Вс янв 28, 2024 19:14:29 
Друг Кота
Аватар пользователя

Карма: 8
Рейтинг сообщений: 34
Зарегистрирован: Пн янв 26, 2009 00:10:51
Сообщений: 3531
Откуда: Москва
Рейтинг сообщения: 0
Медали: 1
Получил миской по аватаре (1)
Сейчас так делают. Правда не плавный пуск, а как бы двухступенчатый. Сначала на 50%, а через пару секунд на полную. Может это чтобы сеть не перегружать. Теперь же пылесосы мощные.


Вернуться наверх
 
Не в сети
 Заголовок сообщения: Re: Плавный пуск, и регуляровка мощности пылесоса на семисто
СообщениеДобавлено: Вс янв 28, 2024 19:49:42 
Прорезались зубы

Карма: 6
Рейтинг сообщений: 5
Зарегистрирован: Пн ноя 14, 2011 22:48:42
Сообщений: 213
Рейтинг сообщения: 0
Цитата:
Я вобще не представляю пылесос с плавным пуском. Был один, я психанул и переделал его. Пять раз нажимаешь включился или нет блин

Сделал видео для вас. 12 летний пылесос Bosch Relyy'y Hepa 2000W:
[youtube]http://youtu.be/[/youtube]
https://youtube.com/shorts/srmyYO_IPWI
Цитата:
Хотелось бы ещё знать для чего такой пылесос вообще нужен.

Да просто делаю самодельный строительный пылесос, с циклоном плоским, и есть у него вот такая проблема при пуске, если мощность на максимуме:
[youtube]http://youtu.be/[/youtube]
https://youtube.com/shorts/59J7rmrjUW8
Цитата:
Да легко, хоть 1на 1на 1

Я не очень понял что это такое ЛАТР. Поиск выдает Лабораторный автотрансформатор, но они здоровые.

п.с. не пойму, тэги youtube на предпросмотре не работают и почему то удаляют ссылку. Как видео вставить?


Вернуться наверх
 
Не в сети
 Заголовок сообщения: Re: Плавный пуск, и регуляровка мощности пылесоса на семисто
СообщениеДобавлено: Пн янв 29, 2024 09:20:52 
Друг Кота
Аватар пользователя

Карма: 5
Рейтинг сообщений: 61
Зарегистрирован: Ср сен 30, 2020 16:51:47
Сообщений: 4625
Откуда: РФ
Рейтинг сообщения: 0
zombie47,
Существуют схемы гашения пускового тока двигателя балластным резистором. Принцип описан вот здесь https://www.salonav.com/arch/2022/08/tr ... taniya.htm
Вариант такой схемы вот здесь http://cxema.my1.ru/publ/istochniki_pit ... 5-1-0-6321


Вернуться наверх
 
Не в сети
 Заголовок сообщения: Re: Плавный пуск, и регуляровка мощности пылесоса на семисто
СообщениеДобавлено: Чт апр 11, 2024 09:56:50 
Нашел транзистор. Понюхал.
Аватар пользователя

Карма: 1
Рейтинг сообщений: 10
Зарегистрирован: Ср окт 14, 2009 16:11:24
Сообщений: 167
Откуда: Калуга
Рейтинг сообщения: 0
Резистор - это тепло, оно вам надо?
Купите это:
https://www.chipdip.ru/product/k1182pm1r-2021g
и не морочте себе голову.
П.С. Сама микросхема не мощная, но полно схем - как её усилить доп. симистором.


Вернуться наверх
 
Не в сети
 Заголовок сообщения: Re: Плавный пуск, и регуляровка мощности пылесоса на семисто
СообщениеДобавлено: Чт апр 11, 2024 10:27:05 
Друг Кота
Аватар пользователя

Карма: 5
Рейтинг сообщений: 61
Зарегистрирован: Ср сен 30, 2020 16:51:47
Сообщений: 4625
Откуда: РФ
Рейтинг сообщения: 0
Резистор - это тепло, .

Только в момент пуска.


Вернуться наверх
 
Не в сети
 Заголовок сообщения: Re: Плавный пуск, и регуляровка мощности пылесоса на семисто
СообщениеДобавлено: Чт апр 11, 2024 11:15:31 
Нашел транзистор. Понюхал.
Аватар пользователя

Карма: 1
Рейтинг сообщений: 10
Зарегистрирован: Ср окт 14, 2009 16:11:24
Сообщений: 167
Откуда: Калуга
Рейтинг сообщения: 0
Только в момент пуска.

Согласен, но всё равно не айс.
Я к резистору прибегал только единожды, когда надо было без доступа к розетке поработать "болгаркой". Про аккумуляторные тогда (лет 10-12 назад) даже и не догадывались. Спас 1.5кВА бесперебойник и старт через большой зелёный резистор.
П.С. С бесперебойника шёл меандр, по сему симисторы шли лесом.


Вернуться наверх
 
Не в сети
 Заголовок сообщения: Re: Плавный пуск, и регуляровка мощности пылесоса на семисто
СообщениеДобавлено: Вс апр 14, 2024 23:05:05 
Встал на лапы
Аватар пользователя

Зарегистрирован: Пн май 21, 2018 17:50:16
Сообщений: 117
Откуда: город Луганск
Рейтинг сообщения: 0
В пылесосе коллекторный двигатель, а для его регулирования нужен симисторный регулятор специально предназначенный для коллекторных двигателей.


Вернуться наверх
 
Не в сети
 Заголовок сообщения: Re: Плавный пуск, и регуляровка мощности пылесоса на семисто
СообщениеДобавлено: Пн апр 15, 2024 09:21:05 
Друг Кота
Аватар пользователя

Карма: 50
Рейтинг сообщений: 759
Зарегистрирован: Чт дек 29, 2005 00:18:30
Сообщений: 6577
Откуда: Москва
Рейтинг сообщения: 0
Наверное можно для того чтобы попробовать лампу накаливания (строго накаливания) включить между двумя регуляторами.

_________________
Ничто так не укрепляет взаимное доверие, как 100% предоплата! Дмитрий, ex-RK3AOR.


Вернуться наверх
 
Не в сети
 Заголовок сообщения: Re: Плавный пуск, и регуляровка мощности пылесоса на семисто
СообщениеДобавлено: Пн апр 15, 2024 23:05:21 
Нашел транзистор. Понюхал.
Аватар пользователя

Карма: 1
Рейтинг сообщений: 10
Зарегистрирован: Ср окт 14, 2009 16:11:24
Сообщений: 167
Откуда: Калуга
Рейтинг сообщения: 0
В пылесосе коллекторный двигатель, а для его регулирования нужен симисторный регулятор специально предназначенный для коллекторных двигателей.

Заблуждение. Стандартный 3- 4координатный симистор из линейки BTAxxx стоят там.


Вернуться наверх
 
Показать сообщения за:  Сортировать по:  Вернуться наверх
Начать новую тему Ответить на тему  [ Сообщений: 20 ] 

Часовой пояс: UTC + 3 часа


Кто сейчас на форуме

Сейчас этот форум просматривают: нет зарегистрированных пользователей и гости: 10


Вы не можете начинать темы
Вы не можете отвечать на сообщения
Вы не можете редактировать свои сообщения
Вы не можете удалять свои сообщения
Вы не можете добавлять вложения

Найти:
Перейти:  


Powered by phpBB © 2000, 2002, 2005, 2007 phpBB Group
Русская поддержка phpBB
Extended by Karma MOD © 2007—2012 m157y
Extended by Topic Tags MOD © 2012 m157y