Например TDA7294

Форум РадиоКот • Просмотр темы - Подключение по интерфейсу UART
Форум РадиоКот
Здесь можно немножко помяукать :)

Текущее время: Вт дек 30, 2025 18:57:00

Часовой пояс: UTC + 3 часа


ПРЯМО СЕЙЧАС:



Начать новую тему Ответить на тему  [ Сообщений: 53 ]    , 2,  
Автор Сообщение
Не в сети
 Заголовок сообщения: Re: Подключение по интерфейсу UART
СообщениеДобавлено: Вс апр 24, 2022 13:29:09 
Друг Кота
Аватар пользователя

Карма: 5
Рейтинг сообщений: 61
Зарегистрирован: Ср сен 30, 2020 16:51:47
Сообщений: 4628
Откуда: РФ
Рейтинг сообщения: 0
Чип СР2102 в POSTAL 3 уже есть. Вопрос не в этом. Вопрос в том, через какой интерфейсный чип работает ваша программа.


Вернуться наверх
 
Не в сети
 Заголовок сообщения: Re: Подключение по интерфейсу UART
СообщениеДобавлено: Вс апр 24, 2022 13:31:51 
Поставщик валерьянки для Кота
Аватар пользователя

Карма: 12
Рейтинг сообщений: 148
Зарегистрирован: Пт фев 27, 2015 20:57:08
Сообщений: 1927
Откуда: Курск
Рейтинг сообщения: 0
У меня тут мысль закралась... В папке с программой-прошивальшиком информация о системных требованиях:
Необходимые системные требования для установки и работы программы:

2.1 Операционные системы Windows'98, Windows Millennium, Windows NT 4.0 SP3 или Windows 2000.
2.2 Наличие 1 Mb свободного места на жестком диске.
2.3 Свободный порт RS-232 (COM-порт).


Вернуться наверх
 
Не в сети
 Заголовок сообщения: Re: Подключение по интерфейсу UART
СообщениеДобавлено: Вс апр 24, 2022 13:35:33 
Друг Кота
Аватар пользователя

Карма: 5
Рейтинг сообщений: 61
Зарегистрирован: Ср сен 30, 2020 16:51:47
Сообщений: 4628
Откуда: РФ
Рейтинг сообщения: 0
По описанию программы получается, что она предназначена для работы с драйвером последовательного порта.
Может ли она работать с виртуальным портом - не факт.


Вернуться наверх
 
Не в сети
 Заголовок сообщения: Re: Подключение по интерфейсу UART
СообщениеДобавлено: Вс апр 24, 2022 13:38:37 
Поставщик валерьянки для Кота
Аватар пользователя

Карма: 12
Рейтинг сообщений: 148
Зарегистрирован: Пт фев 27, 2015 20:57:08
Сообщений: 1927
Откуда: Курск
Рейтинг сообщения: 0
В просторах интернета нашел информацию о том, что программатор самый обычный с совмещённой линией RX-TX и с TTL уровнем сигналов.
Программирование по среднему контакту 2,5 мм гнезда.

Вроде все сходится...
Только не понимаю, что такое интерфейсный чип. Где он установлен?

Добавлено after 1 minute 11 seconds:
По описанию программы получается, что она предназначена для работы с драйвером последовательного порта.
Может ли она работать с виртуальным портом - не факт.

Ну так ведь все оригинальные шнурки вставляются в разъем ЮСБ компьютера. Значит полюбас СОМ-порт виртуальный :dont_know:


Вернуться наверх
 
Эиком - электронные компоненты и радиодетали
Не в сети
 Заголовок сообщения: Re: Подключение по интерфейсу UART
СообщениеДобавлено: Вс апр 24, 2022 13:43:54 
Друг Кота
Аватар пользователя

Карма: 5
Рейтинг сообщений: 61
Зарегистрирован: Ср сен 30, 2020 16:51:47
Сообщений: 4628
Откуда: РФ
Рейтинг сообщения: 0
Интерфейсный чип установлен на плате программатора. CP2102 в Postal 3 это и есть интерфейсный чип. Только он USB по входу, а вашей программе нужно чтоб по входу был чип интерфейса RS-232.

Добавлено after 2 minutes 59 seconds:
Ну так ведь все оригинальные шнурки вставляются в разъем ЮСБ компьютера. Значит полюбас СОМ-порт виртуальный


А вы в этом уверены? Вы действительно думаете, что во времена Windows NT 4.0 ВСЕ устройства работали только строго через USB?


Вернуться наверх
 
Не в сети
 Заголовок сообщения: Re: Подключение по интерфейсу UART
СообщениеДобавлено: Вс апр 24, 2022 13:57:59 
Поставщик валерьянки для Кота
Аватар пользователя

Карма: 12
Рейтинг сообщений: 148
Зарегистрирован: Пт фев 27, 2015 20:57:08
Сообщений: 1927
Откуда: Курск
Рейтинг сообщения: 0
Не уверен. Поэтому ссылаюсь на современную информацию в сети. Там пишут, что все программируется с помощью ЮСБ-шнурков. Может быть правда дело в операционной системе? Программа возможно заточена под старинную операционку?
И еще нашел инфу про СР2102. Эту микросхему можно перенастраивать с помощью дополнительных программ. И я помню, что при установке софта для Postal 3 использовались такие же программы для настройки. И только после них появился виртуальный СОМ-порт при подключении Postal 3.
Может какие-то VID PID по другому надо выставить?
Вот здесь нашел: http://we.easyelectronics.ru/electro-an ... ubley.html


Вернуться наверх
 
Не в сети
 Заголовок сообщения: Re: Подключение по интерфейсу UART
СообщениеДобавлено: Вс апр 24, 2022 14:04:24 
Друг Кота
Аватар пользователя

Карма: 5
Рейтинг сообщений: 61
Зарегистрирован: Ср сен 30, 2020 16:51:47
Сообщений: 4628
Откуда: РФ
Рейтинг сообщения: 0
Там пишут, что все программируется с помощью ЮСБ-шнурков.


Это современная информация о современных программаторах. А раньше всё было иначе. Во времена Windows NT большинство программаторов работало по 232 интерфейсу. Я даже видел фирменный программатор, который работал под DOS.


Вернуться наверх
 
Не в сети
 Заголовок сообщения: Re: Подключение по интерфейсу UART
СообщениеДобавлено: Вс апр 24, 2022 14:21:28 
Поставщик валерьянки для Кота
Аватар пользователя

Карма: 12
Рейтинг сообщений: 148
Зарегистрирован: Пт фев 27, 2015 20:57:08
Сообщений: 1927
Откуда: Курск
Рейтинг сообщения: 0
Блин, что же делать :facepalm: Круг замкнулся :kill: Все есть кроме шнурка и железного СОМ порта :?


Вернуться наверх
 
Не в сети
 Заголовок сообщения: Re: Подключение по интерфейсу UART
СообщениеДобавлено: Вс апр 24, 2022 14:24:47 
Друг Кота
Аватар пользователя

Карма: 5
Рейтинг сообщений: 61
Зарегистрирован: Ср сен 30, 2020 16:51:47
Сообщений: 4628
Откуда: РФ
Рейтинг сообщения: 0
Искать компьютер с железным СОМ портом. Это пока ещё вполне реально.


Вернуться наверх
 
Не в сети
 Заголовок сообщения: Re: Подключение по интерфейсу UART
СообщениеДобавлено: Вс апр 24, 2022 16:01:30 
Поставщик валерьянки для Кота
Аватар пользователя

Карма: 12
Рейтинг сообщений: 148
Зарегистрирован: Пт фев 27, 2015 20:57:08
Сообщений: 1927
Откуда: Курск
Рейтинг сообщения: 0
electroget писал(а):
Искать компьютер с железным СОМ портом. Это пока ещё вполне реально.
У меня есть плата расширения СОМ-портов для современных ПК. Она по-моему в PCIE вставляется и у нее на выходе два железных СОМ-порта. Специально для подобных случаев прикупал, но боюсь дело не в этом...
Цитата:
Это современная информация о современных программаторах.
Не, я имею в виду мое устройство прошивают современными шнурками. Блин, хотел найти именно для моего устройства шнурок в сети и сюда прикрепить для наглядности, и нет его нигде... Все пишут только что подходят аналогичные от других устройств. Я уже стал сомневаться, может я переходник не так спаял. Сейчас вызваниваю RXD TXD в моем устройстве :facepalm:


Вернуться наверх
 
Не в сети
 Заголовок сообщения: Re: Подключение по интерфейсу UART
СообщениеДобавлено: Вс апр 24, 2022 16:09:04 
Собутыльник Кота
Аватар пользователя

Карма: -22
Рейтинг сообщений: -41
Зарегистрирован: Вс окт 02, 2016 07:34:45
Сообщений: 2976
Рейтинг сообщения: 0
Кроме Tx и Rx стандарт RS232 имеет еще две пары проводов, которые даже если и не идут к девайсу, могут быть замкнуты в разъеме у компа, иначе программа работать не будет. При этом переходники USB-UART очень редко задействуют эти дополнительные пары проводов.


Вернуться наверх
 
Не в сети
 Заголовок сообщения: Re: Подключение по интерфейсу UART
СообщениеДобавлено: Вс апр 24, 2022 16:30:08 
Друг Кота
Аватар пользователя

Карма: 5
Рейтинг сообщений: 61
Зарегистрирован: Ср сен 30, 2020 16:51:47
Сообщений: 4628
Откуда: РФ
Рейтинг сообщения: 2
но боюсь дело не в этом...


В любом случае это нужно проверить. Потому что если ваш софт жёстко завязан на железо, то номер с виртуальным СОМ-портом не пройдёт.

Добавлено after 2 minutes 18 seconds:
RS232 имеет еще две пары проводов, которые даже если и не идут к девайсу, могут быть замкнуты в разъеме у компа, иначе программа работать не будет.


В реале всё ещё хуже. Существует 3 или 4 типа распайки СОМ-кабелей.


Вернуться наверх
 
Не в сети
 Заголовок сообщения: Re: Подключение по интерфейсу UART
СообщениеДобавлено: Вс апр 24, 2022 16:30:55 
Потрогал лапой паяльник
Аватар пользователя

Карма: -6
Рейтинг сообщений: -2
Зарегистрирован: Вс апр 03, 2022 07:01:29
Сообщений: 362
Рейтинг сообщения: 2
TX, RX... а GND то подключили между программатором и целевой платой? А питание то на целевой МК подали? а то бывают, знаете ли, случаи :)
Прежде, чем чего то перенастраивать, менять PID/VID, лучше бы мануал к программатору прочитали.
Ну и микроконтроллер то... Он вообще по UART-у способен программироваться то?
А если там в МК зашит бутлоадер, который по UART принимает обновление прошивки, то надо знать, как перевести плату в режим обновления прошивки, это раз. А два - нужен именно софт от целевой платы, через который и будет обновляться прошивка микроконтроллера.

Цитата:
Микроконтроллер PIC - в устройстве стоит. ... В общем, эта прошивка, которая вшита в PIC-контроллер - она не одна и та же (не постоянная, не универсальная). Эта прошивка представляет собой настройки моего устройства.

Ну так и что вы хотите получить то? Прошивка представляет настройки устройства? Обычно настройки хранятся либо в отдельной микросхеме флеш (или EEPROM) памяти, либо используют EEPROM самого микроконтроллера (в PIC такое есть).
В программаторе можно выбирать область памяти для программирования - Flash или EEPROM. Какой конкретно микроконтроллер стоит, какие циферки и буковки на нем написаны то?
А то щас выяснится, что UART то вовсе и не при чем и он там наф не нужон


Вернуться наверх
 
Не в сети
 Заголовок сообщения: Re: Подключение по интерфейсу UART
СообщениеДобавлено: Вс апр 24, 2022 18:28:01 
Поставщик валерьянки для Кота
Аватар пользователя

Карма: 12
Рейтинг сообщений: 148
Зарегистрирован: Пт фев 27, 2015 20:57:08
Сообщений: 1927
Откуда: Курск
Рейтинг сообщения: 0
Цитата:
TX, RX... а GND то подключили между программатором и целевой платой? А питание то на целевой МК подали? а то бывают, знаете ли, случаи :)
Конечно же :)
Цитата:
Ну и микроконтроллер то... Он вообще по UART-у способен программироваться то?
Уверен, что да. У него есть выходы TX, RX
Вот такой там стоит на 44 вывода: https://yandex.ru/images/search?pos=15& ... ource=serp

Цитата:
А если там в МК зашит бутлоадер, который по UART принимает обновление прошивки, то надо знать, как перевести плату в режим обновления прошивки, это раз
Этого я не знал... :oops: Но предположу, что при вставке штекеров в разъем что-то или размыкается или замыкается, но очень не уверен в этом.

Цитата:
А два - нужен именно софт от целевой платы, через который и будет обновляться прошивка микроконтроллера.
Ну таковой имеется. Эта программа именно для моего устройства предназначена.

Цитата:
Обычно настройки хранятся либо в отдельной микросхеме флеш (или EEPROM) памяти, либо используют EEPROM самого микроконтроллера (в PIC такое есть).
Скорее всего в самой PIC, потому что других флешек и еепромок на плате нет.

В общем я стал вызванивать контакты TX, RX на целевой плате и выяснилось, что RX (1 вывод микроконтроллера) выводится на штекер. А вот вывод TX (44 вывод микроконтроллера) никуда не выводится, а просто соединен диодом с выводом RX на микроконтроллере. Катодом в сторону TX :shock: И все...то есть вывод ТХ вообще никуда не выводится.

Добавлено after 8 minutes 30 seconds:
Цитата:
Какой конкретно микроконтроллер стоит, какие циферки и буковки на нем написаны то?

PIC16F877 фирма MICROCHIP
Ниже: 201/РТ
Еще ниже: D53904W


Вернуться наверх
 
Не в сети
 Заголовок сообщения: Re: Подключение по интерфейсу UART
СообщениеДобавлено: Вс апр 24, 2022 18:32:46 
Потрогал лапой паяльник
Аватар пользователя

Карма: -6
Рейтинг сообщений: -2
Зарегистрирован: Вс апр 03, 2022 07:01:29
Сообщений: 362
Рейтинг сообщения: 0
Так это не программирование микроконтроллера, а просто UART для обмена между компутером и микроконтроллером через прилагаемый к вашему устройству софт и прошитую в микроконтроллер программу, работающую с UART микроконтроллера. Ничего общего с программированием именно микроконтроллера оное не имеет и программаторы микроконтроллеров тут бессильны.
Нужен просто USB->UART переходник. Если прилагаемое к устройству ПО его не видит, значит, нужен какой-либо старый компьютер с "настоящим железным" COM-портом и старой Виндой.


Вернуться наверх
 
Не в сети
 Заголовок сообщения: Re: Подключение по интерфейсу UART
СообщениеДобавлено: Вс апр 24, 2022 19:04:38 
Поставщик валерьянки для Кота
Аватар пользователя

Карма: 12
Рейтинг сообщений: 148
Зарегистрирован: Пт фев 27, 2015 20:57:08
Сообщений: 1927
Откуда: Курск
Рейтинг сообщения: 0
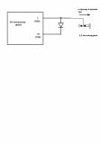
НовыйДень, так я и думал. Ну программатор может же служить таким переходником?
Вот такая схема в общих чертах получается:
Изображение
С таким подключением есть варианты?
Или мне напрямую припаять к микроконтроллеру к выводу TXD (44 вывод)?

Добавлено after 19 minutes 25 seconds:
Земли естественно соединены, я просто их не обозначил на рисунке. Я думаю или где-то обрыв в межслойных слоях целевой платы, или это так задумано и есть значит такой тоже способ обмена данными... Что скажете? :roll:


Вернуться наверх
 
Не в сети
 Заголовок сообщения: Re: Подключение по интерфейсу UART
СообщениеДобавлено: Вс апр 24, 2022 19:09:39 
Собутыльник Кота
Аватар пользователя

Карма: -22
Рейтинг сообщений: -41
Зарегистрирован: Вс окт 02, 2016 07:34:45
Сообщений: 2976
Рейтинг сообщения: 0
Однако неплохо бы посмотреть наличие сигнала на Rx при попытке интерфейсной программы передать что-то в МК. Потому как если нет никакого сигнала, то либо Ваш "кабель" не годится, либо в интерфейсной программе делаете что-то не так.


Вернуться наверх
 
Не в сети
 Заголовок сообщения: Re: Подключение по интерфейсу UART
СообщениеДобавлено: Вс апр 24, 2022 19:21:01 
Поставщик валерьянки для Кота
Аватар пользователя

Карма: 12
Рейтинг сообщений: 148
Зарегистрирован: Пт фев 27, 2015 20:57:08
Сообщений: 1927
Откуда: Курск
Рейтинг сообщения: 0
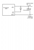
ART_ME, Согласен с Вами. Мысль хорошая. Но вот скорее всего интерфейсная программа ничего не станет передавать, пока не увидит подключения с целевой платой.
Или подключение уже должно дать сигнал какой-то?

Добавлено after 2 minutes 54 seconds:
Вот так в общих чертах все получается выглядит: Изображение
С таким подключением заколосится коннект?) А то я не уверен что-то... Может стоит к 44 выводу напрямую припаяться от программатора (в роли шнурка) ?


Вернуться наверх
 
Не в сети
 Заголовок сообщения: Re: Подключение по интерфейсу UART
СообщениеДобавлено: Вс апр 24, 2022 19:34:09 
Собутыльник Кота
Аватар пользователя

Карма: -22
Рейтинг сообщений: -41
Зарегистрирован: Вс окт 02, 2016 07:34:45
Сообщений: 2976
Рейтинг сообщения: 0
ART_ME, Согласен с Вами. Мысль хорошая. Но вот скорее всего интерфейсная программа ничего не станет передавать, пока не увидит подключения с целевой платой
Интерфейсная программа не увидит подключения с целевой платой потому, что ей тупо нечем его увидеть, сигнальный провод у Вас только в одну сторону.


Вернуться наверх
 
Не в сети
 Заголовок сообщения: Re: Подключение по интерфейсу UART
СообщениеДобавлено: Вс апр 24, 2022 19:55:59 
Поставщик валерьянки для Кота
Аватар пользователя

Карма: 12
Рейтинг сообщений: 148
Зарегистрирован: Пт фев 27, 2015 20:57:08
Сообщений: 1927
Откуда: Курск
Рейтинг сообщения: 0
Я наверное рискну припаяться напрямую к МК. Может просто обрыв в межслойных слоях платы, а может так задумано производителем, типа защита от перепрошивания. Хотя софт для прошивки именно моего девайса в сети в открытом доступе. Ну вариантов не много, думаю стоит попробовать.


Вернуться наверх
 
Показать сообщения за:  Сортировать по:  Вернуться наверх
Начать новую тему Ответить на тему  [ Сообщений: 53 ]    , 2,  

Часовой пояс: UTC + 3 часа


Кто сейчас на форуме

Сейчас этот форум просматривают: нет зарегистрированных пользователей и гости: 22


Вы не можете начинать темы
Вы не можете отвечать на сообщения
Вы не можете редактировать свои сообщения
Вы не можете удалять свои сообщения
Вы не можете добавлять вложения

Найти:
Перейти:  


Powered by phpBB © 2000, 2002, 2005, 2007 phpBB Group
Русская поддержка phpBB
Extended by Karma MOD © 2007—2012 m157y
Extended by Topic Tags MOD © 2012 m157y