Например TDA7294

Форум РадиоКот • Просмотр темы - Защита входа внешнего АЦП от переполюсовки.
Форум РадиоКот
Здесь можно немножко помяукать :)

Текущее время: Ср дек 24, 2025 13:34:17

Часовой пояс: UTC + 3 часа


ПРЯМО СЕЙЧАС:



Начать новую тему Ответить на тему  [ Сообщений: 28 ]  1,  
Автор Сообщение
Не в сети
 Заголовок сообщения: Защита входа внешнего АЦП от переполюсовки.
СообщениеДобавлено: Пт июл 16, 2021 19:18:59 
Первый раз сказал Мяу!

Зарегистрирован: Ср сен 25, 2019 17:46:33
Сообщений: 35
Рейтинг сообщения: 0
Здравствуйте. В вопросе именно защита от переполюсовки, а не от превышения входного напряжения или защита от статики.

Исходные данные: АЦП MCP3021. Для его питания в 5 вольт используется изолированный DC-DC из линейки AM1D на 5 вольт на выходе. IIC у АЦП также оптоизолирован. Напряжение для оцифровки только в диапазоне 0...5 вольт, постоянки.

На входе АЦП стоит резистор на 10к, подтягивающий вход к земле.
Из даташита видно, что на вход АЦП можно подать от -0,6 до +0,6 вольт к уровню VDD.

Конструкция разъемов для подключения исключает физически переполюсовку. Но только на этом конце, у АЦП. Что могут натворить на том конце непонятно.

Вопрос простой - чем бюджетно защитить вход АЦП от переполюсовки, без снижения верхней границы диапазона в 5 вольт (на том конце чуть поддать до 5.6 вольт или чуть выше не получится).
Ну и собственно, если прилетела переполюсовка, то есть стойкая мысль, что изолированный DC-DC прикажет также долго жить...


Вернуться наверх
 
Не в сети
 Заголовок сообщения: Re: Защита входа внешнего АЦП от переполюсовки.
СообщениеДобавлено: Пт июл 16, 2021 20:22:22 
Друг Кота
Аватар пользователя

Карма: 59
Рейтинг сообщений: 2218
Зарегистрирован: Чт янв 26, 2012 16:44:29
Сообщений: 19562
Откуда: Таксимо
Рейтинг сообщения: 0
Вход надо защитить или питание? Вход кмк уже защищен должен, там сама структура транзисторов переходов что диоды как бы есть в самой микре, ну тем более через резистор 10 килоом не сожгет имхо

Добавлено after 1 minute 51 second:
А блин у тебя к земле резистор, надо его увеличить до 100 например и последовательно с входа ацп резистор на измеряемую схему

Добавлено after 1 minute 13 seconds:
А стоп, даже тот можешь оставить резистор. Порежь дорожки и от микры смд впаяй резистор на вход

Добавлено after 2 minutes 6 seconds:
Хоть даже 1 килом должно хватить, но лучше больше

Добавлено after 5 minutes 40 seconds:
Ну еще можно сдвоенный smd диод шоттки напаять прямо на вход микры чиобы совсем надежно

_________________
Мои поставщики запчастей с отличной репутацией
texnomag.ru
radioremont.com
pl-1.org
4ip.info
elitan.ru


Вернуться наверх
 
Не в сети
 Заголовок сообщения: Re: Защита входа внешнего АЦП от переполюсовки.
СообщениеДобавлено: Пт июл 16, 2021 21:00:53 
Друг Кота
Аватар пользователя

Карма: 197
Рейтинг сообщений: 8594
Зарегистрирован: Пн ноя 30, 2009 03:00:01
Сообщений: 43137
Откуда: Нерезиновая
Рейтинг сообщения: 1
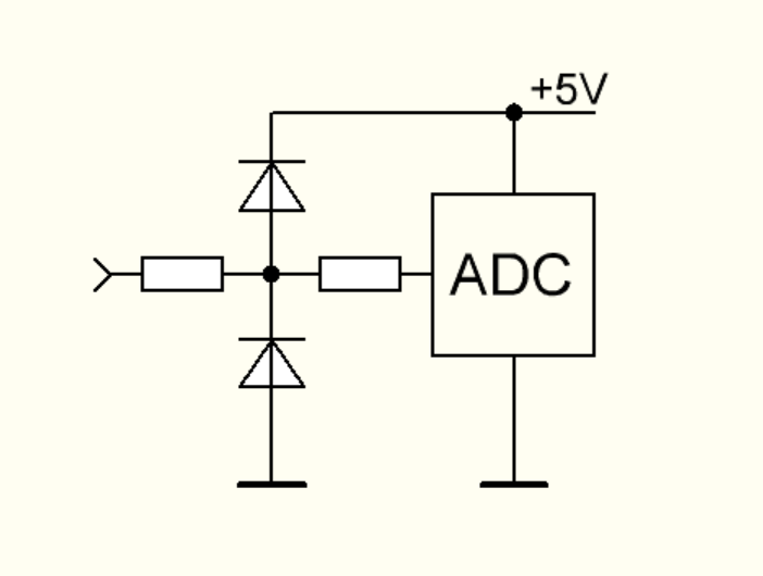
Вот так пойдёт? Можно ещё резистор между существующим резистором и входом микросхемы (точкой соединения диодов) добавить- чтобы ток через диоды ограничить в случае превышения входного сигнала "разрешенного уровня"..
Изображение


Вложения:
ADC.png [24.67 KiB]
Скачиваний: 729
Вернуться наверх
 
Не в сети
 Заголовок сообщения: Re: Защита входа внешнего АЦП от переполюсовки.
СообщениеДобавлено: Пт июл 16, 2021 21:07:11 
Первый раз сказал Мяу!

Зарегистрирован: Ср сен 25, 2019 17:46:33
Сообщений: 35
Рейтинг сообщения: 0
Спасибо за идею. Думаю самовосстанавливающия предохранитель добавить, благо коробчонка разных есть под рукой.


Вернуться наверх
 
Эиком - электронные компоненты и радиодетали
Не в сети
 Заголовок сообщения: Re: Защита входа внешнего АЦП от переполюсовки.
СообщениеДобавлено: Пт июл 16, 2021 22:38:43 
Друг Кота
Аватар пользователя

Карма: 197
Рейтинг сообщений: 8594
Зарегистрирован: Пн ноя 30, 2009 03:00:01
Сообщений: 43137
Откуда: Нерезиновая
Рейтинг сообщения: 0
Думаю самовосстанавливающия предохранитель добавить,

Бесполезно, любой предохранитель (сейчас) срабатывает после того, как выйдет из строя защищаемое им устройство..
Лучше резистор добавьте, на измеряемое напряжение он влияния не окажет- там входное сопротивление у АЦП большое, а вот диоды будут нормально работать..

зы.. Аналогичная схема из диодов, когда- то давно, справлялась с защитой АЦП от статических разрядов.


Вернуться наверх
 
Не в сети
 Заголовок сообщения: Re: Защита входа внешнего АЦП от переполюсовки.
СообщениеДобавлено: Пт июл 16, 2021 22:48:54 
Первый раз сказал Мяу!

Зарегистрирован: Ср сен 25, 2019 17:46:33
Сообщений: 35
Рейтинг сообщения: 0
Понятно, согласен.

Сижу думаю - а нужен ли верхний диод D1 - ведь при правильном подключении, через него будет поступать напряжение на выход изолированного DC-DC. Хоть полярность и правильная, не будет - ли ему некомфортно? В даташите нифига нет на эту тему. Нашел только отзывы про эти серии, что они боятся перегрузки и КЗ и уходят в иной мир сразу...


Вернуться наверх
 
Не в сети
 Заголовок сообщения: Re: Защита входа внешнего АЦП от переполюсовки.
СообщениеДобавлено: Пт июл 16, 2021 23:49:19 
Мудрый кот

Карма: 11
Рейтинг сообщений: 114
Зарегистрирован: Пт июн 01, 2018 07:28:45
Сообщений: 1759
Рейтинг сообщения: 0
Цитата:
Лучше резистор добавьте, на измеряемое напряжение он влияния не окажет

и вместе с диодами образует RC фильтр.


Вернуться наверх
 
Не в сети
 Заголовок сообщения: Re: Защита входа внешнего АЦП от переполюсовки.
СообщениеДобавлено: Пт июл 16, 2021 23:51:45 
Друг Кота
Аватар пользователя

Карма: 59
Рейтинг сообщений: 2218
Зарегистрирован: Чт янв 26, 2012 16:44:29
Сообщений: 19562
Откуда: Таксимо
Рейтинг сообщения: 0
Между входом и третей ногой ацп резистор 1 КилоОм предлагаю

_________________
Мои поставщики запчастей с отличной репутацией
texnomag.ru
radioremont.com
pl-1.org
4ip.info
elitan.ru


Вернуться наверх
 
Не в сети
 Заголовок сообщения: Re: Защита входа внешнего АЦП от переполюсовки.
СообщениеДобавлено: Сб июл 17, 2021 00:24:56 
Друг Кота
Аватар пользователя

Карма: 197
Рейтинг сообщений: 8594
Зарегистрирован: Пн ноя 30, 2009 03:00:01
Сообщений: 43137
Откуда: Нерезиновая
Рейтинг сообщения: 0
а нужен ли верхний диод D1 - ведь при правильном подключении, через него будет поступать напряжение на выход изолированного DC-DC. Хоть полярность и правильная, не будет - ли ему некомфортно? В даташите нифига нет на эту тему. Нашел только отзывы про эти серии, что они боятся перегрузки и КЗ и уходят в иной мир сразу...

одно и двухваттные DC/DC преобразователи,действительно, довольно дохленькие, от КЗ и перегрузки мрут как мухи.. :))) :)))

У вас какое напряжение на входе АЦП ожидается? И какова максимальная частота?


Вернуться наверх
 
Не в сети
 Заголовок сообщения: Re: Защита входа внешнего АЦП от переполюсовки.
СообщениеДобавлено: Сб июл 17, 2021 07:41:36 
Первый раз сказал Мяу!

Зарегистрирован: Ср сен 25, 2019 17:46:33
Сообщений: 35
Рейтинг сообщения: 0
Напряжение не более 5.0 вольт, частота 0 Гц будет.


Вернуться наверх
 
Не в сети
 Заголовок сообщения: Re: Защита входа внешнего АЦП от переполюсовки.
СообщениеДобавлено: Сб июл 17, 2021 08:31:05 
Друг Кота
Аватар пользователя

Карма: 59
Рейтинг сообщений: 2218
Зарегистрирован: Чт янв 26, 2012 16:44:29
Сообщений: 19562
Откуда: Таксимо
Рейтинг сообщения: 0
0 небывает, это тогда и ацп не нужен. Померил один раз прибором и стоит как было стотыщмилионов лет

_________________
Мои поставщики запчастей с отличной репутацией
texnomag.ru
radioremont.com
pl-1.org
4ip.info
elitan.ru


Вернуться наверх
 
Не в сети
 Заголовок сообщения: Re: Защита входа внешнего АЦП от переполюсовки.
СообщениеДобавлено: Сб июл 17, 2021 11:23:08 
Говорящий с текстолитом

Карма: -7
Рейтинг сообщений: 187
Зарегистрирован: Вт авг 15, 2017 10:51:13
Сообщений: 1660
Рейтинг сообщения: 0
Сижу думаю - а нужен ли верхний диод D1 - ведь при правильном подключении, через него будет поступать напряжение на выход изолированного DC-DC. Хоть полярность и правильная, не будет - ли ему некомфортно? В даташите нифига нет на эту тему. Нашел только отзывы про эти серии, что они боятся перегрузки и КЗ и уходят в иной мир сразу...

Так вроде сами же писали, что: "не от превышения входного напряжения". Если превышение в принципе невозможно, то с чего ему станет "некомфортно"? Ведь этот диод всегда будет закрыт. И да - в этом случае он (D1) не нужен.

В даташите (на DC-DC) нужно искать на тему "запитка DC-DC от выхода". Некоторые DC-DC нормально работают в таком режиме, некоторые - не очень. Это для того случая, если подадите входной сигнал с выключенным штатным входным питанием DC-DC.


Вернуться наверх
 
Не в сети
 Заголовок сообщения: Re: Защита входа внешнего АЦП от переполюсовки.
СообщениеДобавлено: Сб июл 17, 2021 12:35:25 
Друг Кота
Аватар пользователя

Карма: 139
Рейтинг сообщений: 2918
Зарегистрирован: Чт янв 10, 2008 22:01:02
Сообщений: 24617
Откуда: Московская область, Фрязино
Рейтинг сообщения: 0
Напряжение не более 5.0 вольт, частота 0 Гц будет.

Кроме диодной растяжки нужен еще ПОСЛЕДОВАТЕЛЬНЫЙ резистор ограничивающий ток. Точнее по феншую нужно ДВА резистора. Один между источником сигнала и растяжкой (примерно 510 Ом) и один между растяжкой и входом АЦП (примерно 51...100 Ом). Просто диодная растяжка на входе (тем более, если она не Шоттки, а обычный кремний) никакого результата не даст. Ток внутренних диодов АЦП многократно превысит ток внешних диодов.
Ну и общий вопрос.
Откуда приходит сигнал? Нужна схема источника в части ее гальванической связи с источником питания АЦП. Иначе могут быть самые печальные варианты.


Вернуться наверх
 
Не в сети
 Заголовок сообщения: Re: Защита входа внешнего АЦП от переполюсовки.
СообщениеДобавлено: Сб июл 17, 2021 13:20:32 
Первый раз сказал Мяу!

Зарегистрирован: Ср сен 25, 2019 17:46:33
Сообщений: 35
Рейтинг сообщения: 0
Цитата:
В даташите (на DC-DC) нужно искать на тему "запитка DC-DC от выхода".


Даташит на DC-DC куцый какой то. И отзывов по работе с ним не особенно в интернете есть. pdf приложил для информации. Может не так ищу но нету про это в нем.

Цитата:
Кроме диодной растяжки нужен еще ПОСЛЕДОВАТЕЛЬНЫЙ резистор ограничивающий ток. Точнее по феншую нужно ДВА резистора.

Амм, эмм этож приведет с снижению верхнего порога входного напряжения менее чем 5.0 вольт? И скомпенсировать нечем...


Цитата:
Откуда приходит сигнал? Нужна схема источника в части ее гальванической связи с источником питания АЦП. Иначе могут быть самые печальные варианты.


Сигнал приходит от другого изделия. в Нем есть понижающий AC-DC Meanwell до 5 вольт (такой монолитный на печатную плату). От него питается микроконтроллер, который генерирует напряжение от 0 до 5 вольт. Эти 5 вольт идут к нашему устройству, поступают на вход АЦП MCP3021. С выхода MCP3021 IIC идет через SI8400 (гальваноразвязка ) к микроконтроллеру. Чтобы сделать гальваноразвязку MCP3021 и по питанию, применен DC-DC серии AM1D. С разных фаз переменки все работает, волшебный дым не появлялся. Помех нет. Единственное просто единственное но - у АЦП не указано как он себя ведет при переполюсовке, а переполюсовка возможна на исходящем изделии (там клеммы). На моем устройстве разъем с ключом - не так не подключить. И даже если приложить силу, то плата с разъемами оторвется от панели... :)))

Добавлено after 4 minutes 34 seconds:
Цитата:
0 небывает

мой мир разрушен :cry:
Какая частота на клеммах "кроны" из Икеи? Не ноль получается?


Вложения:
AM1D-Z.pdf [953.63 KiB]
Скачиваний: 204
Вернуться наверх
 
Не в сети
 Заголовок сообщения: Re: Защита входа внешнего АЦП от переполюсовки.
СообщениеДобавлено: Сб июл 17, 2021 13:23:27 
Мучитель микросхем

Карма: 1
Рейтинг сообщений: 56
Зарегистрирован: Сб июл 10, 2021 19:33:25
Сообщений: 402
Рейтинг сообщения: 0
Какая частота на клеммах "кроны" из Икеи? Не ноль получается?

не ноль. её просто нет. это не одно и тоже, особенно для программиста...


Вернуться наверх
 
Не в сети
 Заголовок сообщения: Re: Защита входа внешнего АЦП от переполюсовки.
СообщениеДобавлено: Сб июл 17, 2021 13:39:15 
Друг Кота
Аватар пользователя

Карма: 139
Рейтинг сообщений: 2918
Зарегистрирован: Чт янв 10, 2008 22:01:02
Сообщений: 24617
Откуда: Московская область, Фрязино
Рейтинг сообщения: 0
этож приведет с снижению верхнего порога входного напряжения менее чем 5.0 вольт?

Нет, не приведет. Входной импеданс АЦП на порядки выше озвученных резисторов. У вас погрешность источника питания АЦП (он же источник опоры АЦП) будет много больше разрешения АЦП.
Изображение

в Нем есть понижающий AC-DC Meanwell до 5 вольт (такой монолитный на печатную плату). От него питается микроконтроллер, который генерирует напряжение от 0 до 5 вольт.

Вы ничего не сказали об источнике питания своей схемы.


Вернуться наверх
 
Не в сети
 Заголовок сообщения: Re: Защита входа внешнего АЦП от переполюсовки.
СообщениеДобавлено: Сб июл 17, 2021 13:53:08 
Первый раз сказал Мяу!

Зарегистрирован: Ср сен 25, 2019 17:46:33
Сообщений: 35
Рейтинг сообщения: 0
Ааа, в своем стоит AC-DC 220-24 вольта. Из 24 потом DC-DC дает 5,0 для питания МК и из 5,0 для питания МК получаем через изолированный DC-DC 5 для АЦП.


Вернуться наверх
 
Не в сети
 Заголовок сообщения: Re: Защита входа внешнего АЦП от переполюсовки.
СообщениеДобавлено: Сб июл 17, 2021 14:19:37 
Друг Кота
Аватар пользователя

Карма: 139
Рейтинг сообщений: 2918
Зарегистрирован: Чт янв 10, 2008 22:01:02
Сообщений: 24617
Откуда: Московская область, Фрязино
Рейтинг сообщения: 2
Ааа, в своем стоит AC-DC

В этом и проблема. AC-DC это такая неприятная штука.... :)))
В AC-DC имеется неприятная особенность связанная с паразитной или противопомеховой емкостью между первичной и вторичной обмотками трансформатора. И это может приводить к паразитному потенциалу питаемой схемы относительно земли промсети. Потенциал обычно совсем маломощный ДЛЯ ЧЕЛОВЕКА, но может быть фатальным для схемы. При одном маааааленьком, но очень важном условии. Должно быть ДВА таких источника в системе. И именно так наблюдается у вас.
То есть если взять вольтметр переменного тока и измерить напряжение между общими шинами вашей схемы и схемы с источником сигнала, то можно с удивлением обнаружить весьма значительные величины, вплоть до 100 вольт на холостом ходу. Они слабенькие. Если соединить общие двух устройств, то потечет ток выравнивания равный единицам миллиампер. Он создаст некоторую помеху в виде падения на соединительном проводе, но не о ней речь. Если перепутать полярность ИЛИ ВКЛЮЧИТЬ ТОЛЬКО СИГНАЛЬНЫЙ провод (например при задержке коммутации при присоединении на лету), то ток выравнивания потечет уже В СИГНАЛЬНОЙ ЦЕПИ. И этот ток вполне может привести к защелкиванию входа со всеми фатальными последствиями.
Такшта вам придется позаботиться не только о полярности, но и безусловном примате общего над сигнальным при горячем соединении устройств.


Вернуться наверх
 
Не в сети
 Заголовок сообщения: Re: Защита входа внешнего АЦП от переполюсовки.
СообщениеДобавлено: Сб июл 17, 2021 14:23:45 
Мучитель микросхем

Карма: 1
Рейтинг сообщений: 56
Зарегистрирован: Сб июл 10, 2021 19:33:25
Сообщений: 402
Рейтинг сообщения: 0
В AC-DC имеется неприятная особенность связанная с паразитной или противопомеховой емкостью между первичной и вторичной обмотками трансформатора.
Меня всегда она смущала... но недостаток знаний требует доверять производителю.


Вернуться наверх
 
Не в сети
 Заголовок сообщения: Re: Защита входа внешнего АЦП от переполюсовки.
СообщениеДобавлено: Сб июл 17, 2021 14:28:47 
Друг Кота
Аватар пользователя

Карма: 139
Рейтинг сообщений: 2918
Зарегистрирован: Чт янв 10, 2008 22:01:02
Сообщений: 24617
Откуда: Московская область, Фрязино
Рейтинг сообщения: 0
доверять производителю.

В каком смысле доверять? Чтобы не убило? Или чтобы редуцировать помехи питаемой схемы? Это можно.
Но производитель AC-DC ничего не гарантирует, если сетевая сторона преобразователя не соединена с землей промсети в смысле потенциала питаемой схемы относительно сети.
И тут нечему доверять. Никто ничего не обещал.
ЗЫ. Это крайне важно помнить при проектировании сетей передачи информации на основе дифпар. Это RS422/RS485. Земля (общий провод) там категорически обязательна.


Вернуться наверх
 
Показать сообщения за:  Сортировать по:  Вернуться наверх
Начать новую тему Ответить на тему  [ Сообщений: 28 ]  1,  

Часовой пояс: UTC + 3 часа


Кто сейчас на форуме

Сейчас этот форум просматривают: нет зарегистрированных пользователей и гости: 11


Вы не можете начинать темы
Вы не можете отвечать на сообщения
Вы не можете редактировать свои сообщения
Вы не можете удалять свои сообщения
Вы не можете добавлять вложения

Найти:
Перейти:  


Powered by phpBB © 2000, 2002, 2005, 2007 phpBB Group
Русская поддержка phpBB
Extended by Karma MOD © 2007—2012 m157y
Extended by Topic Tags MOD © 2012 m157y