Например TDA7294

Форум РадиоКот • Просмотр темы - MODBUS протокол через 232 порт
Форум РадиоКот
Здесь можно немножко помяукать :)

Текущее время: Вс дек 14, 2025 12:36:28

Часовой пояс: UTC + 3 часа


ПРЯМО СЕЙЧАС:



Начать новую тему Ответить на тему  [ Сообщений: 23 ]    , 2
Автор Сообщение
Не в сети
 Заголовок сообщения:
СообщениеДобавлено: Пт ноя 03, 2006 15:32:47 
Потрогал лапой паяльник
Аватар пользователя

Карма: 2
Рейтинг сообщений: 1
Зарегистрирован: Пн мар 20, 2006 13:05:08
Сообщений: 336
Рейтинг сообщения: 0
у меня счас выходные, в понедельник попробую выложить.

_________________
Я просто верю в то, что рушить догмы - лучший способ не стареть.


Вернуться наверх
 
Не в сети
 Заголовок сообщения:
СообщениеДобавлено: Пн ноя 06, 2006 11:17:06 
Потрогал лапой паяльник
Аватар пользователя

Карма: 2
Рейтинг сообщений: 1
Зарегистрирован: Пн мар 20, 2006 13:05:08
Сообщений: 336
Рейтинг сообщения: 0
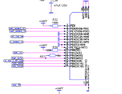
Два рисунка схемы:
MCU.gif - выходы мк (PE0, PE1 - для коммуникации, РЕ5 - для включения/отключения шинного формирователя)
Formirovatel' shiny.gif - формирование сигналов на шину. Для были предусмотрены некоторые элементы, в конечной реализации их нет (все что NC - Not Connected)


Вложения:
Formirovatel' shiny.GIF [25.1 KiB]
Скачиваний: 650
MCU.GIF [12.15 KiB]
Скачиваний: 633

_________________
Я просто верю в то, что рушить догмы - лучший способ не стареть.
Вернуться наверх
 
Не в сети
 Заголовок сообщения:
СообщениеДобавлено: Ср ноя 08, 2006 10:47:46 
Встал на лапы

Зарегистрирован: Пн сен 18, 2006 13:39:03
Сообщений: 138
Откуда: Попуа Новой Гвинеи (Зимбабва)
Рейтинг сообщения: 0
угу
все ясно спасибо большущее

тяперича вопрос по ДАТЧИКАМ
хочу сконструлять чего-то вроде виртуальных перчаток
какие датчики лучше использовать?
-Серводатчики (fp05cm65af) - бесконтактные датчики положения
-датчики ускорения (adxl202) - акселерометры
-датчики положения на эффекте Холла
-Магнитнорезистивные датчики положения
-инфракрасные датчики положения

и каков точный принцип работы их?


Вернуться наверх
 
Показать сообщения за:  Сортировать по:  Вернуться наверх
Начать новую тему Ответить на тему  [ Сообщений: 23 ]    , 2

Часовой пояс: UTC + 3 часа


Кто сейчас на форуме

Сейчас этот форум просматривают: нет зарегистрированных пользователей и гости: 11


Вы не можете начинать темы
Вы не можете отвечать на сообщения
Вы не можете редактировать свои сообщения
Вы не можете удалять свои сообщения
Вы не можете добавлять вложения

Найти:
Перейти:  


Powered by phpBB © 2000, 2002, 2005, 2007 phpBB Group
Русская поддержка phpBB
Extended by Karma MOD © 2007—2012 m157y
Extended by Topic Tags MOD © 2012 m157y