Например TDA7294

Форум РадиоКот • Просмотр темы - Нирвана Коржевского. Кто собирал?
Форум РадиоКот
Здесь можно немножко помяукать :)

Текущее время: Чт янв 01, 2026 10:01:51

Часовой пояс: UTC + 3 часа


ПРЯМО СЕЙЧАС:



Начать новую тему Ответить на тему  [ Сообщений: 513 ]     ... , , , 6, , , ...  
Автор Сообщение
Не в сети
 Заголовок сообщения: Re: Нирвана Коржевского. Кто собирал?
СообщениеДобавлено: Ср авг 02, 2023 07:11:52 
Мучитель микросхем

Карма: -9
Рейтинг сообщений: 11
Зарегистрирован: Пн авг 15, 2022 16:27:43
Сообщений: 498
Рейтинг сообщения: 0
Нелинейные искажения очень трудно исправить другими нелинейными искажениями...

Но слушатели этого не знают. Они просто люди, занятые своими делами, порой далёкими и от музыки и от техники. А вот гармоники, их уровень, спектр у техники разный, и что то может "звучать" приятнее, "музыкальнее". Поэтому для них "высокая верность" звучит стерильно, выхолощенно.
Это как с продуктами. Яйца или молоко со своего хозяйства совершенно другого вкуса. Омлет из них получается пышный без всяких добавок. И никаким смешиванием разных сортов молока из магазина не получить такой вкус. Потому что животные едят , в том числе, то что хотят, а не чем их кормят.
При этом есть масса людей, которые терпеть не могут "свое". Они пиивыкли. Так и в музыке. Есть не мало тех, кто слушает только записи. И их воротит от "натурального".


Вернуться наверх
 
Не в сети
 Заголовок сообщения: Re: Нирвана Коржевского. Кто собирал?
СообщениеДобавлено: Ср авг 02, 2023 07:21:10 
Прорезались зубы

Карма: -1
Рейтинг сообщений: 7
Зарегистрирован: Пн апр 27, 2015 21:28:44
Сообщений: 211
Рейтинг сообщения: 0
Ёмкость лишней небывает... :) У меня в Радиотехнике-101 по 30 000 в каждом плече, а там ток поменьше будет...

Не спорю. Здесь почему такие емкости? Так задумано и работает. Только не у меня. Вопрос как сделать так, что бы заработало у меня) Емкостей добавить всегда успею

А он Вообще на сколько Ватт? Транзистор то ИРФ24 дохленький, там не опечатка? Может Irfz42 там нужен, как и Второй Электролит на 220 мкф вместо 22? Может тоже Опечатка - НеДопечатка?..

Три положения регулятора мощности. На 8Ом получилось 8, 11 и 15Вт на канал. Irfz24 не опечтка.


Вернуться наверх
 
Не в сети
 Заголовок сообщения: Re: Нирвана Коржевского. Кто собирал?
СообщениеДобавлено: Ср авг 02, 2023 09:12:51 
Друг Кота
Аватар пользователя

Карма: 127
Рейтинг сообщений: 11154
Зарегистрирован: Ср янв 08, 2014 04:21:09
Сообщений: 32325
Откуда: Москва
Рейтинг сообщения: 0
andersar писал(а):
почему когда начинающий радиолюбитель выбрал схему, собрал и просит помочь ее настроить,
Потому что схема выбрана неверно. В этом нет ничего страшного, все через это проходили и выкидывали и собирали по новой, а дальше вопрос в реакции на правильные советы.


Вернуться наверх
 
Не в сети
 Заголовок сообщения: Re: Нирвана Коржевского. Кто собирал?
СообщениеДобавлено: Ср авг 02, 2023 09:40:22 
Прорезались зубы

Карма: -1
Рейтинг сообщений: 7
Зарегистрирован: Пн апр 27, 2015 21:28:44
Сообщений: 211
Рейтинг сообщения: 0
Я уже выбрал и уже собрал. Я пытаюсь получить ответы на один единственный вопрос - как убрать фон. Получаю потихоньку ответы, которые двигают дело. Не спрашиваю правильно ли я выбрал схему, красиво ли я собрал. Ты только хуесосишь все, а по теме ни слова. Про петли земляные че то решил. Я выложил фото. Все земли снизу. Не нужно обладать экстрасенсорными способностями, что бы посмотреть на фотографию и увидеть концепцию разводки земли. Ты ж этим не занимался, так и зачем голословно утверждать?


Вернуться наверх
 
Эиком - электронные компоненты и радиодетали
Не в сети
 Заголовок сообщения: Re: Нирвана Коржевского. Кто собирал?
СообщениеДобавлено: Ср авг 02, 2023 10:13:37 
Друг Кота
Аватар пользователя

Карма: 127
Рейтинг сообщений: 11154
Зарегистрирован: Ср янв 08, 2014 04:21:09
Сообщений: 32325
Откуда: Москва
Рейтинг сообщения: 0
Тебе несколько человек написали что схема - полное говно и настраивать ее бесполезно. Это все равно что собрать велосипед с квадратными колесами и пытаться избавиться от тряски. Уровень фона современного усилителя среднего уровня - полная тишина в колонках если приложить ухо прямо к динамику.
Но поскольку тебе это не интересно - вольному воля! :))


Вернуться наверх
 
Не в сети
 Заголовок сообщения: Re: Нирвана Коржевского. Кто собирал?
СообщениеДобавлено: Ср авг 02, 2023 10:25:27 
Друг Кота

Карма: 67
Рейтинг сообщений: 1964
Зарегистрирован: Сб дек 18, 2021 19:25:32
Сообщений: 12867
Рейтинг сообщения: 0
если в колонках полная тишина, то аудиофил, слушающий паузы, начинает нервничать :))

Добавлено after 2 minutes 24 seconds:
Не нужно обладать экстрасенсорными способностями, что бы посмотреть на фотографию и увидеть концепцию разводки земли.
По фото как раз нужно быть экстрасенсом. Что же касается концепции, то каким образом она исключает земляной петли? Но я ща посмотрю.

Добавлено after 7 minutes 16 seconds:
Гм... я нашел только это фото. И что здесь за концепция, исключающая образование земляной петли? Я вижу наоборот, излишне длинные пути от трансформатора, хаос и вполне существующую возможность наличия петель. Я бы на Вашем месте переложил бы провода более упорядоченно и проверил бы на петли. В том числе на платах. По такому фото сделать это невозможно. Да и не охота.

Изображение


Вернуться наверх
 
Не в сети
 Заголовок сообщения: Re: Нирвана Коржевского. Кто собирал?
СообщениеДобавлено: Ср авг 02, 2023 10:35:10 
Друг Кота
Аватар пользователя

Карма: 127
Рейтинг сообщений: 11154
Зарегистрирован: Ср янв 08, 2014 04:21:09
Сообщений: 32325
Откуда: Москва
Рейтинг сообщения: 0
Martian писал(а):
Я бы на Вашем месте переложил бы провода более упорядоченно и проверил бы на петли. В том числе на платах.
И что? Поможет? :shock:

СпойлерИзображение


Вернуться наверх
 
Не в сети
 Заголовок сообщения: Re: Нирвана Коржевского. Кто собирал?
СообщениеДобавлено: Ср авг 02, 2023 10:43:01 
Друг Кота
Аватар пользователя

Карма: 5
Рейтинг сообщений: 61
Зарегистрирован: Ср сен 30, 2020 16:51:47
Сообщений: 4629
Откуда: РФ
Рейтинг сообщения: 0
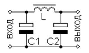
Теперь про фильтр прошу поподробнее

Нужно попробовать поставить сразу после высоковольтного диодного моста П-образный LC-фильтр.

Изображение

Для этого будет нужен практически любой силовой дроссель на трансформаторном железе с индуктивностью от 100 миллиГенри и два электролитических конденсатора 100 мкФ на 400 Вольт. Собрать такую временную схему и подключить её для проверки до высоковольтного стабилизатора. Посмотреть что получится с фоном.

P.S. Только следует иметь ввиду, что у силового дросселя есть поле рассеяния и что его нельзя подносить железом к входным цепям усилителя. Временную схему фильтра при эксперименте нужно будет расположить в стороне от плат с лампами.


Последний раз редактировалось electroget Ср авг 02, 2023 10:57:54, всего редактировалось 1 раз.

Вернуться наверх
 
Не в сети
 Заголовок сообщения: Re: Нирвана Коржевского. Кто собирал?
СообщениеДобавлено: Ср авг 02, 2023 10:50:04 
Друг Кота

Карма: 67
Рейтинг сообщений: 1964
Зарегистрирован: Сб дек 18, 2021 19:25:32
Сообщений: 12867
Рейтинг сообщения: 0
kentgaryk, не знаю. Мне бы помогло :)

Добавлено after 1 minute 43 seconds:
electroget, если там петля, все фильтры будут лишь слегка уменьшать шум, создавая иллюзию, что ещё чуть-чуть, еще одна ступень и золотой ключик будет наш. Но не будет.


Вернуться наверх
 
Не в сети
 Заголовок сообщения: Re: Нирвана Коржевского. Кто собирал?
СообщениеДобавлено: Ср авг 02, 2023 11:02:56 
Друг Кота
Аватар пользователя

Карма: 127
Рейтинг сообщений: 11154
Зарегистрирован: Ср янв 08, 2014 04:21:09
Сообщений: 32325
Откуда: Москва
Рейтинг сообщения: 0
Martian писал(а):
все фильтры будут лишь слегка уменьшать шум,
А скорее всего и не будут вовсе.


Вернуться наверх
 
Не в сети
 Заголовок сообщения: Re: Нирвана Коржевского. Кто собирал?
СообщениеДобавлено: Ср авг 02, 2023 11:30:05 
Прорезались зубы

Карма: -1
Рейтинг сообщений: 7
Зарегистрирован: Пн апр 27, 2015 21:28:44
Сообщений: 211
Рейтинг сообщения: 0
Martian, избежание земляных петель было во главе разводки плат и сборки. Все земли блоков сходятся в одной точке. Внутри схем блоков старался так же все земли сводить в одну точку. На 100% не могу ручаться за отсутствие косяка при монтаже, но старался все делать четко. То, что все работает, как задумано, кроме наличия фона, косвенно об этом говорит)
Electroget, спасибо за пояснения. Найду дроссель - попробую.


Вернуться наверх
 
Не в сети
 Заголовок сообщения: Re: Нирвана Коржевского. Кто собирал?
СообщениеДобавлено: Ср авг 02, 2023 11:39:08 
Друг Кота
Аватар пользователя

Карма: 5
Рейтинг сообщений: 61
Зарегистрирован: Ср сен 30, 2020 16:51:47
Сообщений: 4629
Откуда: РФ
Рейтинг сообщения: 0
Дроссель на трансформаторном железе проще всего найти на радиорынке.


Вернуться наверх
 
Не в сети
 Заголовок сообщения: Re: Нирвана Коржевского. Кто собирал?
СообщениеДобавлено: Ср авг 02, 2023 12:24:26 
Прорезались зубы

Карма: -1
Рейтинг сообщений: 7
Зарегистрирован: Пн апр 27, 2015 21:28:44
Сообщений: 211
Рейтинг сообщения: 0
У меня есть небольшой трансформатор 220/12 от магнитофона. Можно его использовать? Ну или намотать на его железо.


Вернуться наверх
 
Не в сети
 Заголовок сообщения: Re: Нирвана Коржевского. Кто собирал?
СообщениеДобавлено: Ср авг 02, 2023 12:30:56 
Друг Кота
Аватар пользователя

Карма: 5
Рейтинг сообщений: 61
Зарегистрирован: Ср сен 30, 2020 16:51:47
Сообщений: 4629
Откуда: РФ
Рейтинг сообщения: 0
У дросселя на сердечнике должен быть "воздушный" зазор определённого размера. Если железо трансформатора позволяет сделать такой зазор, то из него можно попробовать сделать дроссель.


Вернуться наверх
 
Не в сети
 Заголовок сообщения: Re: Нирвана Коржевского. Кто собирал?
СообщениеДобавлено: Ср авг 02, 2023 13:02:01 
Друг Кота
Аватар пользователя

Карма: 57
Рейтинг сообщений: 371
Зарегистрирован: Ср май 04, 2016 23:18:38
Сообщений: 5993
Рейтинг сообщения: 0
Но, при прослушивании готовой фонограммы главной задачей должно быть получение звука, максимально похожего на задуманный исполнителем! Дополнительных искажений вносить не нужно - они искажают авторский замысел!
Да. Поэтому музыкальные инструменты "звучат", а усилитель и корпуса колонок "звучать" не должны.

Причиной же повального увлечения сборкой самодельных исказителей/искривителей стало очень низкое качество доступных фонограмм, безнадежно испорченных компьютерной обработкой... Человек скачал из Интернета любимую песню, слушает её на хорошем усилителе и чувствует, что "что-то не то..."
Полагаю, нет... Где человек слушал эту песню раньше? На концерте? Там там та же фанера и электронные усилители, к тому же орущие, до искажений в ушах. А если речь идёт о живой акустической музыке - то это направление на данный момент весьма нишевое, да и "прошаренный" слушатель должен понимать, что записанный и воспроизведённый звук будет другой...

Скорее, человек раньше слушал песню по радио (а качество там тоже "хорошее"), а тут на собственном усилителе, собранном "на коленке", вдруг "не звучит"... Усилитель плохой? Да не может быть, он же самодельный, по рецептам гуру! Нет, наверно виновата "высокая верность"... :)))

Впрочем, есть вот этот вот "шедевр" музыки электронной до ужаса; в этой фонограмме "прекрасно" всё: там присутствует глючный сбивчивый ритм электронных ударов, а также помехоподобные звуки "типа низких". ну и проигрыши как из приставок 90-х. Тут беда не в цифре как таковой, а в плохой композиции и неисправной аппаратуре. Такой "триумф цифры" не лечится никакими лампами - без толку.
https://disk.yandex.ru/d/KlbbhVfn-Hg5zg

А вот гармоники, их уровень, спектр у техники разный, и что то может "звучать" приятнее, "музыкальнее". Поэтому для них "высокая верность" звучит стерильно, выхолощенно.
Стерильный звук - лучший звук. Но есть такой эффект - "избалованные уши". Например, если человек любит накрутить эквалайзер, то музыка "высокой верности" без эквалайзера покажется ему плоской. Или человеку, привыкшему к ламповой "теплоте", слушать чистый звук непривычно.

Правда, на "теплой" лампе из-за нелинейности как "ценности" создаётся много интермодов, из-за которых сложная музыка превращается в кашу. Поэтому фанаты такого "тёплого звука" слушают только джаз, а прочую музыку, особенно рок и металл, считают "шумом" - ведь на их "правильном" усилителе эта музыка действительно превращается в шум, а на нормальных, качественных усилителях они музыку не слушают - презирают...

_________________
Ваше открытие опровергает науку? Нет, это наука опровергает ваш бред.
Истина никогда не бывает посередине. Ведь середина на стороне того, кто больше лжёт.
Не стыдно писать в МЯЯЯУ! - стыдно вести себя не как порядочный Радио Кот. :)


Вернуться наверх
 
Не в сети
 Заголовок сообщения: Re: Нирвана Коржевского. Кто собирал?
СообщениеДобавлено: Ср авг 02, 2023 13:24:23 
Прорезались зубы

Карма: -1
Рейтинг сообщений: 7
Зарегистрирован: Пн апр 27, 2015 21:28:44
Сообщений: 211
Рейтинг сообщения: 0
У дросселя на сердечнике должен быть "воздушный" зазор определённого размера. Если железо трансформатора позволяет сделать такой зазор, то из него можно попробовать сделать дроссель.


Нашел на барахолке дроссель ДР2ЛМ-К. 2,3Гн и 0,6Гн обмотки, насколько я понял. Подойдет такой?


Вернуться наверх
 
Не в сети
 Заголовок сообщения: Re: Нирвана Коржевского. Кто собирал?
СообщениеДобавлено: Ср авг 02, 2023 13:31:12 
Друг Кота
Аватар пользователя

Карма: 5
Рейтинг сообщений: 61
Зарегистрирован: Ср сен 30, 2020 16:51:47
Сообщений: 4629
Откуда: РФ
Рейтинг сообщения: 0
Да, для эксперимента такой дроссель вполне подойдёт.
Используйте обмотку на 0,6Гн.


Вернуться наверх
 
Не в сети
 Заголовок сообщения: Re: Нирвана Коржевского. Кто собирал?
СообщениеДобавлено: Ср авг 02, 2023 13:42:15 
Прорезались зубы

Карма: -1
Рейтинг сообщений: 7
Зарегистрирован: Пн апр 27, 2015 21:28:44
Сообщений: 211
Рейтинг сообщения: 0
Хорошо, спасибо


Вернуться наверх
 
Не в сети
 Заголовок сообщения: Re: Нирвана Коржевского. Кто собирал?
СообщениеДобавлено: Ср авг 02, 2023 16:53:18 
Друг Кота
Аватар пользователя

Карма: 127
Рейтинг сообщений: 11154
Зарегистрирован: Ср янв 08, 2014 04:21:09
Сообщений: 32325
Откуда: Москва
Рейтинг сообщения: 0
murzistor писал(а):
вдруг "не звучит"... Усилитель плохой? Да не может быть, он же самодельный, по рецептам гуру! Нет, наверно виновата "высокая верность"... :)))
В данной ветке имеем классический пример этого, помноженный на полнное нежелание разбираться в вопросе.


Вернуться наверх
 
Не в сети
 Заголовок сообщения: Re: Нирвана Коржевского. Кто собирал?
СообщениеДобавлено: Ср авг 02, 2023 17:20:03 
Модератор
Аватар пользователя

Карма: 159
Рейтинг сообщений: 4074
Зарегистрирован: Пт янв 23, 2009 19:20:05
Сообщений: 45324
Рейтинг сообщения: 0
Медали: 1
Получил миской по аватаре (1)
Чем проще схема - тем труднее заставить её работать так, как задумано... :dont_know:
...Я бы ещё предложил шунтировать диоды выпрямительного моста конденсаторами - это тоже может снизить фон...


Вернуться наверх
 
Показать сообщения за:  Сортировать по:  Вернуться наверх
Начать новую тему Ответить на тему  [ Сообщений: 513 ]     ... , , , 6, , , ...  

Часовой пояс: UTC + 3 часа


Кто сейчас на форуме

Сейчас этот форум просматривают: нет зарегистрированных пользователей и гости: 35


Вы не можете начинать темы
Вы не можете отвечать на сообщения
Вы не можете редактировать свои сообщения
Вы не можете удалять свои сообщения
Вы не можете добавлять вложения

Найти:
Перейти:  


Powered by phpBB © 2000, 2002, 2005, 2007 phpBB Group
Русская поддержка phpBB
Extended by Karma MOD © 2007—2012 m157y
Extended by Topic Tags MOD © 2012 m157y