Например TDA7294

Форум РадиоКот • Просмотр темы - Качественная информация про планки ФМ на ВЭФ
Форум РадиоКот
Здесь можно немножко помяукать :)

Текущее время: Пн дек 22, 2025 13:12:58

Часовой пояс: UTC + 3 часа


ПРЯМО СЕЙЧАС:



Начать новую тему Ответить на тему  [ Сообщений: 303 ]    , 2, , , ...  
Автор Сообщение
Не в сети
 Заголовок сообщения: Re: Качественная информация про планки ФМ на ВЭФ
СообщениеДобавлено: Ср янв 11, 2017 21:54:41 
Это не хвост, это антенна
Аватар пользователя

Карма: 17
Рейтинг сообщений: 536
Зарегистрирован: Вс ноя 30, 2014 14:37:01
Сообщений: 1444
Рейтинг сообщения: 0
Интересная схема на такой же микросхеме ТЕА5710. Автор пишет : "О микросхемах. Микросхема ТЕА 5710 мне очень нравиться, жаль, что её сняли с производства, хотя остатки на складах ещё есть, есть и в продаже. Это полноценный приемник, как с частотной, так и с амплитудной модуляцией. Встроенный гетеродин и усилитель высокой частоты упрощают всю схему. Вывести данную микросхему из строя просто невозможно. Сконструированные на ней блоки работают уже более 15 лет и не теряют работоспособность. В моём случае я только чуть уменьшаю усиление её собственного УВЧ, шунтируя контур Lк4 резистором, и добавляю УВЧ на современном транзисторе, имеющем меньший коэффициент шума. Можно использовать полевой транзистор BF1212WR, но будет другая схема его включения. На этой частоте еще его не опробовал, но уверен, что УВЧ на нём обладает больней линейностью, а значит, более устойчив к помехам, по крайней мере, не выходит из строя при мощном сигнале на входе (до 1 вольта) , а с транзистором АТ32033 такое порой случалось."

То есть в микросхеме уже есть встроенный УВЧ.
http://dedclub.blogspot.ru/2012/09/fm.html


Вложения:
IMG_1654.jpg [26.49 KiB]
Скачиваний: 1608
Вернуться наверх
 
Не в сети
 Заголовок сообщения: Re: Качественная информация про планки ФМ на ВЭФ
СообщениеДобавлено: Чт янв 12, 2017 22:52:29 
Это не хвост, это антенна
Аватар пользователя

Карма: 17
Рейтинг сообщений: 536
Зарегистрирован: Вс ноя 30, 2014 14:37:01
Сообщений: 1444
Рейтинг сообщения: 0
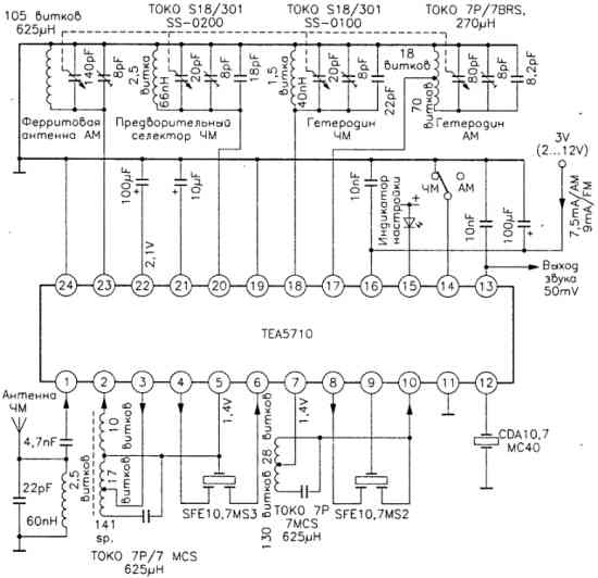
В продолжение темы платы ФМ на ВЭФ хотелось бы знать почему в приведенной ниже схеме на ТЕА5710 во входной антенной цепи к ножке №1 микросхемы идет емкость не 39 пф, как у Шостацкого, а аж целых 4700 пф. http://isobol.ru/radiopriemnik-na-tea5710.html

В базу данных еще один приемник на ТЕА5710 (приложенный файл "5710 ФМ"). Там в правой части листа есть вариант замены стандартного дискриминатора на более качественный вариант (?). Возможно это улучшит качество приема.... на схеме Шостацкого. Не нашел на схеме ВИТАН емкостей С14 и С15 описанных в тексте.


Вложения:
TEA5710.jpg [30.33 KiB]
Скачиваний: 2342
5710 ФМ.jpg [117.91 KiB]
Скачиваний: 2386
the-radio-tea5710.gif [22.63 KiB]
Скачиваний: 2776
Вернуться наверх
 
Не в сети
 Заголовок сообщения: Re: Качественная информация про планки ФМ на ВЭФ
СообщениеДобавлено: Пт янв 13, 2017 23:05:04 
Это не хвост, это антенна
Аватар пользователя

Карма: 17
Рейтинг сообщений: 536
Зарегистрирован: Вс ноя 30, 2014 14:37:01
Сообщений: 1444
Рейтинг сообщения: 0
Нашел ответ на первый вопрос на одном из форумов (непонятная емкость на антенном входе на 4700 пф). Ответ:" Сейчас поставил очень аудиофильный конденсатор-трубочку на 5,6 пик (из так и не отданного приемника "Сокол" начала 60х годов) вместо 4700 пик (по схеме) на вход- на Маяке фон по крайней мере прослушиваться перестал... Пока ловлю на кусок провода, по длине как предполагаемая антенна. ... имхо в схеме- банальная опечатка, успешно скопированная Семеновым в его книге и попортившая мне столько крови. "


Вернуться наверх
 
Не в сети
 Заголовок сообщения: Re: Качественная информация про планки ФМ на ВЭФ
СообщениеДобавлено: Сб янв 14, 2017 09:29:19 
Это не хвост, это антенна
Аватар пользователя

Карма: 17
Рейтинг сообщений: 536
Зарегистрирован: Вс ноя 30, 2014 14:37:01
Сообщений: 1444
Рейтинг сообщения: 0
Пока не "домучаю" эту схему на ТЕА5710 тему буду пополнять.

Все-таки небрежность наказывается ))). Некоторую нестабильность в приеме на ВЭФ 202 устранил путем замены прежней катушки L2 на вновь намотанную, где намотал ТОЧНО 4 витка. Даже "лишние" 1/4 витка оказались влияющими на характеристику приема. Теперь также комфортно слушаю ФМ как и на ВЭФ 201.
Для получения 3,1 вольта на питание микросхемы потребовалось последовательное соединение 5 диодов КД 105Б (от общей "земли" или + к "земле" гетеродина" - это клемма 6 или клемма 1 платы ВЧ-ПЧ). Есть ли более "короткий" путь, например 1 светодиод?


Последний раз редактировалось Талгат7174 Сб янв 14, 2017 13:40:22, всего редактировалось 3 раз(а).

Вернуться наверх
 
Эиком - электронные компоненты и радиодетали
Не в сети
 Заголовок сообщения: Re: Качественная информация про планки ФМ на ВЭФ
СообщениеДобавлено: Пн янв 16, 2017 17:05:13 
Это не хвост, это антенна
Аватар пользователя

Карма: 17
Рейтинг сообщений: 536
Зарегистрирован: Вс ноя 30, 2014 14:37:01
Сообщений: 1444
Рейтинг сообщения: 0
Эту микросхему ТЕА5710 уже тестировали на Радиокоте viewtopic.php?p=2817648 Порадовался за правильный выбор микросхемы.
"Мне досталась плата от no-name аппарата с имс TEA5713,
на неё нет pdf-ки в сети, но aen подкинул пару подсказок и
обнаружилось что это полные аналоги - 5710 и 5713...
Предыдущие две разработки - обе стерео (5711 и 5712),
тогда зачем сделали 5713? Возможно, достигли 1,8V
питания вместо 2,0V у 5710."
"Важно другое, потестировал плату с родной пьезокерамикой,
контурами и прочей правильной рассыпухой, работает очень
красиво, чувствительность бешеная, хочет ловить и без
ант.провода, и даже с легким шунтированием входа, очень
корректная АПЧ, красиво индикатор показывает "силу"
приёма, вполне можно стрелочник соорудить, отлично
справляется с сильным сигналом на входе, приём
всегда чистый.. Проверял только FM-режим, другое не
"интересовало. "

Есть и другие из этого семейства. Надо будет опробовать....


Вернуться наверх
 
Не в сети
 Заголовок сообщения: Re: Качественная информация про планки ФМ на ВЭФ
СообщениеДобавлено: Ср янв 18, 2017 11:27:19 
Это не хвост, это антенна
Аватар пользователя

Карма: 17
Рейтинг сообщений: 536
Зарегистрирован: Вс ноя 30, 2014 14:37:01
Сообщений: 1444
Рейтинг сообщения: 0
Нашел высказывание насчет "нужности" входного контура на этой планке ...

"Вопрос по целесообразности входного контура остается открытым.

Скажем так, ещё никогда и никому он не мешал. Если сделать его перестраиваемым, мы улучшим селективность приёмника, что положительно скажется на его чувствительности и шумах. Если контур не перестраиваемый, то особого толку от него нет, т.к сделать контур с такой широкой полосой пропускания (20 МГц - от 88 до 108 МГц) - задачка не простая. Ну разве что, для согласования с антенной."
"Без входного контура схема будет работать только в городе,где сильный сигнал."

После этой информации попробовал подцепить кусок провода в 1 метр сразу на первую ножку микросхемы (минуя входные конденсаторы и сам контур из трех витков провода), поскольку слабенько (сквозь шипение) принимался телевизионный канал "Россия". Результат оказался превосходным на всех принимаемых станциях. Никаких помех со стороны близко стоящего роутера и компьютера не воспринималось.


Вложения:
TEA5710.jpg [30.33 KiB]
Скачиваний: 1672
Вернуться наверх
 
Не в сети
 Заголовок сообщения: Re: Качественная информация про планки ФМ на ВЭФ
СообщениеДобавлено: Сб янв 21, 2017 14:08:36 
Это не хвост, это антенна
Аватар пользователя

Карма: 17
Рейтинг сообщений: 536
Зарегистрирован: Вс ноя 30, 2014 14:37:01
Сообщений: 1444
Рейтинг сообщения: 0
Интересный материал по замене дискриминатора на этой планке
"... И вот ещё, что может пригодиться в этой подборке. Замена двухвыводного резонатора CDA 10,7 MHz, применяемого в частотном демодуляторе, на параллельный колебательный контур. Это на странице 11. Резонаторы CDA 10,7 МГц достаточно дефицитны, но широко используются в простых радиоприёмниках на ИС. Если Вы готовы намотать катушку 14 витков с подстроечным ВЧ сердечником. То лучше поставить именно колебательный контур вместо пьезокерамического фильтра CDA 10,7 МГц. Так Вы сможете боле точно настроить демодулятор Вашего приёмника, с оглядкой на разброс параметров полосового пьезофильтра SFE 10,7 MHz. Пьезофильтры CDA 10,7 используются, среди прочих, и в радиоприёмниках на микросхемах TEA5711 / TEA5710 (Philips) о которых рассказывается в следующей подборке.
ВАЖНО: Применение аналога пьезофильтра CDA, на основе колебательного контура, примерно в ПЯТЬ РАЗ снижает нелинейные искажения на выходе детектора (с 1,5 до 0,3%), при этом на 2-3дБ понизится чувствительность по ПЧ ЧМ и снизится уровень выходного сигнала ЧМ, но это можно компенсировать дополнительным усилением УПЧ и УНЧ. Подробно, про изготовление и настройку индуктивного аналога пьезокерамического частотного дискриминатора CDA, написано на стр.9 даташита ИС радиоприёмника ILA1238N - белорусского аналога микросхемы CXA1238S. Вам может быть интересно посмотреть этот и другие даташиты на аналоги импортных ИС от ОАО Интеграл."


Вложения:
ПЧфильтрыSFEMurata.pdf [41.51 KiB]
Скачиваний: 834
Вернуться наверх
 
Не в сети
 Заголовок сообщения: Re: Качественная информация про планки ФМ на ВЭФ
СообщениеДобавлено: Вс янв 22, 2017 22:40:48 
Это не хвост, это антенна
Аватар пользователя

Карма: 17
Рейтинг сообщений: 536
Зарегистрирован: Вс ноя 30, 2014 14:37:01
Сообщений: 1444
Рейтинг сообщения: 0
Сравнил по качеству настройки на станции FM, стоящие на планках три вида фильтров SFE. Наименование даю так как это написано на самих фильтрах: 10.7 HY ; 10.7 S ; SFE 10.7 А. По комфортности настройки и по качеству звучания места соответственно 3,2,1. Требуемых "муратовских" SFE 10.7 MA5 пока так и не нашел, но категория "А", получается, лучше других ведет себя на этой плате.
Испытал еще один вид фильтров: на одной стороне написано FCM 10.7, на другой L-5 а пониже цифры 123. Эти близки по качеству звука и настройки к категории А.


Вернуться наверх
 
Не в сети
 Заголовок сообщения: Re: Качественная информация про планки ФМ на ВЭФ
СообщениеДобавлено: Вт янв 24, 2017 18:30:22 
Это не хвост, это антенна
Аватар пользователя

Карма: 17
Рейтинг сообщений: 536
Зарегистрирован: Вс ноя 30, 2014 14:37:01
Сообщений: 1444
Рейтинг сообщения: 0
Попробовал заменить самодельный дроссель (намотанный на сердечнике 4 мм вч контура 140 витков провода ПЭЛ-0,1) на "фабричный". Обозначен на фото. Принципиальной разницы не обнаружил.


Вложения:
IMG_1878.JPG [198 KiB]
Скачиваний: 1357
Вернуться наверх
 
Не в сети
 Заголовок сообщения: Re: Качественная информация про планки ФМ на ВЭФ
СообщениеДобавлено: Ср янв 25, 2017 10:20:30 
Друг Кота
Аватар пользователя

Карма: 49
Рейтинг сообщений: 392
Зарегистрирован: Вс июл 12, 2009 19:15:29
Сообщений: 7014
Откуда: Ижевск
Рейтинг сообщения: 0
Талгат7174 писал(а):
...разницы не обнаружил.

Чем измеряли?

_________________
Docendo discimus


Вернуться наверх
 
Не в сети
 Заголовок сообщения: Re: Качественная информация про планки ФМ на ВЭФ
СообщениеДобавлено: Сб янв 28, 2017 16:32:13 
Это не хвост, это антенна
Аватар пользователя

Карма: 17
Рейтинг сообщений: 536
Зарегистрирован: Вс ноя 30, 2014 14:37:01
Сообщений: 1444
Рейтинг сообщения: 0
Элементарно сравнил индуктивность на самодельном и купленном в радиомагазине дросселе.Прибор китайский, но мне его точности хватило. Что касается более серьезного исследвания, то Borodach на форуме ”схем.нет" опубликовал серьезную тему по дросселям и мне понравился способ проверки сравнения неизвестного дросселя с контрольным через элементарную приставку к осциллографу.


Вернуться наверх
 
Не в сети
 Заголовок сообщения: Re: Качественная информация про планки ФМ на ВЭФ
СообщениеДобавлено: Вс янв 29, 2017 12:29:30 
Друг Кота
Аватар пользователя

Карма: 49
Рейтинг сообщений: 392
Зарегистрирован: Вс июл 12, 2009 19:15:29
Сообщений: 7014
Откуда: Ижевск
Рейтинг сообщения: 0
Тьфу ты! Я-то думал разница в приёме исследуется, а тут...
А вы не пробовали микросхему ТЕА5710 заменить на ТЕА5710?

_________________
Docendo discimus


Вернуться наверх
 
Не в сети
 Заголовок сообщения: Re: Качественная информация про планки ФМ на ВЭФ
СообщениеДобавлено: Вс янв 29, 2017 15:20:43 
Это не хвост, это антенна
Аватар пользователя

Карма: 17
Рейтинг сообщений: 536
Зарегистрирован: Вс ноя 30, 2014 14:37:01
Сообщений: 1444
Рейтинг сообщения: 0
я уже отвечал Вам, что это страничка для начинающих. Может быть как раз этим и займетесь, раз от знаний распирает мозг. А если серьезно, то пока ни один знаток не объяснил для чего все-таки там дроссель. Питание микросхемы не от импульсного же источника. Пробовал включение вообще без него. Никаких на слух по крайней мере "фона переменки", нестабильности и ухода от частоты не обнаружил. Приемник часами работает, прекрасный комфортный прием. Проверка самодельного дросселя производилась потому, что у автора написано, что „индуктивность дросселя некритична - от 1 до 100 микрогенри". Почему например такие границы, автор не поясняет.


Вернуться наверх
 
Не в сети
 Заголовок сообщения: Re: Качественная информация про планки ФМ на ВЭФ
СообщениеДобавлено: Чт фев 02, 2017 19:29:30 
Это не хвост, это антенна
Аватар пользователя

Карма: 17
Рейтинг сообщений: 536
Зарегистрирован: Вс ноя 30, 2014 14:37:01
Сообщений: 1444
Рейтинг сообщения: 0
Подобрал наиболее практичные диоды (с точки зрения их минимума в цепочке). Для ВЭФ 12,201,202 достаточно иметь в цепочке 2 диода КД503А. При этом на дроссель (питание ТЕА5710) поступает по факту замера 3,8 вольта. Прием устойчивый. В Облаке разместил фото как без пайки (как и обещал с возможностью легко все вернуть обратно) с помощью маленьких "крокодильчиков" слушать ФМ. Впрочем, можно обойтись и без них, просто аккуратно припаяв проводники. Ну это уже по желанию.

Только что пришла подопытная Спидола. Не стал ее тестировать на предмет карты токов и напряжений, сразу как есть поставил уже проверенную на ВЭФ планку. Разместил в "Облаке" видео первого включения. Ничего не "приукрашивал". Испытал в самом неблагоприятном месте с плохим приемом, рядом с роутером и компьютером. Для первого раза совсем неплохо. Питание, которое рекомендовал Шостацкий (уменьшение резистора R7 до 70 ом ничего не дало, планка "не завелась". Мало напряжение. Пришлось также на землю гетеродина подать питание через диодную цепочку (2 КД503А). Замерил, получилось 2,2 вольта. Не "айс", но на видео видно как приемник заработал на ФМ. Предстоит регулировка и нахождение наиболее приемлемого варианта подачи напряжения 3 и более вольта. Практика на ВЭФ показала, что 3 вольта и выше (до 4 вольт) самый лучший вариант по устойчивому приему.


https://cloud.mail.ru/public/K9F7/TDKUp3aX3


Вложения:
IMG_1905.JPG [140.25 KiB]
Скачиваний: 1417
IMG_1904.JPG [161.94 KiB]
Скачиваний: 1508
Вернуться наверх
 
Не в сети
 Заголовок сообщения: Re: Качественная информация про планки ФМ на ВЭФ
СообщениеДобавлено: Пт фев 03, 2017 10:01:54 
Друг Кота
Аватар пользователя

Карма: 49
Рейтинг сообщений: 392
Зарегистрирован: Вс июл 12, 2009 19:15:29
Сообщений: 7014
Откуда: Ижевск
Рейтинг сообщения: 3
Талгат7174 писал(а):
...от знаний распирает мозг...

Там полный порядок, и всё размещено по полочкам. Чего и вам желаю.
А если серьёзно, то вам пора бы уже теорию подтягивать. В частности по усилителям высокой частоты (кстати, про дроссель в цепи питания).

_________________
Docendo discimus


Вернуться наверх
 
Не в сети
 Заголовок сообщения: Re: Качественная информация про планки ФМ на ВЭФ
СообщениеДобавлено: Пт фев 03, 2017 11:59:51 
Это не хвост, это антенна
Аватар пользователя

Карма: 17
Рейтинг сообщений: 536
Зарегистрирован: Вс ноя 30, 2014 14:37:01
Сообщений: 1444
Рейтинг сообщения: 0
Благодарен за конструктивный ответ. Действительно, теория никогда не бывает "лишней". Изучаю, благо литература есть. А вот по этому злополучному дросселю в этой цепи действительно "засада". Теоретически понятно для чего он там: не пропускает ВЧ, сглаживает пульсации тока по питанию микросхемы и т.д. Но я уже писал, что на приеме это не сказывается. Если бы на пример частота уходила или фон переменки (наводки), то тогда ясно. Или частота приема сбивалась бы при включении и отключении рядом включенного устройства. Но я включал для эксперимента (для экономии места на плате) вообще без дросселя (так как в даташите микросхемы написано, что там есть внутренний стабилизатор) - ни малейшего изменения. Как принимало отлично (часами стоит на одной частоте), так и принимает. Хоть специально покупай прибор для создания помех ))) http://www.russianelectronics.ru/leader ... doc/54066/


Вернуться наверх
 
Не в сети
 Заголовок сообщения: Re: Качественная информация про планки ФМ на ВЭФ
СообщениеДобавлено: Пт фев 03, 2017 13:24:35 
Друг Кота
Аватар пользователя

Карма: 49
Рейтинг сообщений: 392
Зарегистрирован: Вс июл 12, 2009 19:15:29
Сообщений: 7014
Откуда: Ижевск
Рейтинг сообщения: 0
Талгат7174 писал(а):
...по этому злополучному дросселю в этой цепи действительно "засада"...

Приложите схему.

_________________
Docendo discimus


Вернуться наверх
 
Не в сети
 Заголовок сообщения: Re: Качественная информация про планки ФМ на ВЭФ
СообщениеДобавлено: Пт фев 03, 2017 14:50:25 
Это не хвост, это антенна
Аватар пользователя

Карма: 17
Рейтинг сообщений: 536
Зарегистрирован: Вс ноя 30, 2014 14:37:01
Сообщений: 1444
Рейтинг сообщения: 0
Схема на первой странице в первом сообщении. Скопировал и размещаю здесь.

Для остальных размещаю видео уже более менее приличного приема ФМ на Спидоле https://cloud.mail.ru/home/TEA5710/MVI_1908.AVI


Вложения:
спидола2.png [138.59 KiB]
Скачиваний: 1835
спидола1.png [221.29 KiB]
Скачиваний: 1573
IMG_1911.JPG [225.29 KiB]
Скачиваний: 1422
IMG_1910.JPG [205.61 KiB]
Скачиваний: 1400
IMG_1909.JPG [183.93 KiB]
Скачиваний: 1761
Вернуться наверх
 
Не в сети
 Заголовок сообщения: Re: Качественная информация про планки ФМ на ВЭФ
СообщениеДобавлено: Вс фев 05, 2017 21:28:15 
Это не хвост, это антенна
Аватар пользователя

Карма: 17
Рейтинг сообщений: 536
Зарегистрирован: Вс ноя 30, 2014 14:37:01
Сообщений: 1444
Рейтинг сообщения: 0
Освоил подключение ФМ на ВЭФ-Спидола, а значит и для "просто Спидола" подойдет схемотехника. Питание идет несколько по другому (на фото). На микросхему такм образом подходит 3,5 вольта, прием устойчивый. Как всегда приемник стоит рядом с импульсными помехами и хоть бы что.... https://cloud.mail.ru/public/E7Wt/WcHE6RXug

На фото видно как подключать. Для любителей "раритетов и невмешательства" специально подключал питание через "крокодильчики", которые легко снимаются.


Вложения:
IMG_1938.JPG [79.9 KiB]
Скачиваний: 1667
IMG_1937.JPG [64.66 KiB]
Скачиваний: 1714
Вернуться наверх
 
Не в сети
 Заголовок сообщения: Re: Качественная информация про планки ФМ на ВЭФ
СообщениеДобавлено: Вс фев 05, 2017 21:36:24 
Мудрый кот

Карма: 21
Рейтинг сообщений: 93
Зарегистрирован: Пт май 29, 2009 10:58:47
Сообщений: 1842
Откуда: Саратов
Рейтинг сообщения: 0
Не, я все понимаю - но зачем? :shock:
Оно как минимум моно :facepalm:


Вернуться наверх
 
Показать сообщения за:  Сортировать по:  Вернуться наверх
Начать новую тему Ответить на тему  [ Сообщений: 303 ]    , 2, , , ...  

Часовой пояс: UTC + 3 часа


Кто сейчас на форуме

Сейчас этот форум просматривают: sanay и гости: 52


Вы не можете начинать темы
Вы не можете отвечать на сообщения
Вы не можете редактировать свои сообщения
Вы не можете удалять свои сообщения
Вы не можете добавлять вложения

Найти:
Перейти:  


Powered by phpBB © 2000, 2002, 2005, 2007 phpBB Group
Русская поддержка phpBB
Extended by Karma MOD © 2007—2012 m157y
Extended by Topic Tags MOD © 2012 m157y