Например TDA7294

Форум РадиоКот • Просмотр темы - чтение прошивки пика
Форум РадиоКот
Здесь можно немножко помяукать :)

Текущее время: Пн дек 15, 2025 14:04:29

Часовой пояс: UTC + 3 часа


ПРЯМО СЕЙЧАС:



Форум закрыт Эта тема закрыта, Вы не можете редактировать и оставлять сообщения в ней.  [ Сообщений: 13 ] 
Автор Сообщение
Не в сети
 Заголовок сообщения: чтение прошивки пика
СообщениеДобавлено: Сб авг 04, 2012 21:44:57 
Вымогатель припоя

Карма: 2
Рейтинг сообщений: 1
Зарегистрирован: Вс фев 13, 2011 20:51:21
Сообщений: 512
Откуда: Спб
Рейтинг сообщения: 0
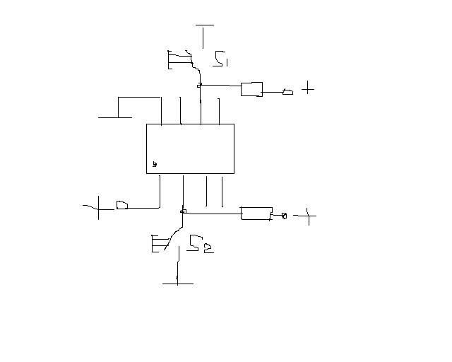
есть некое устройство. все маркировки микросхем спилены. включается оно 2 копками, нажимая в определенной последовательности. (кодовый замок типа). раз 5 наугад включал но никак не запомню последовательность. примерно идентифицировал микроконтроллер как пик в 8 выводном корпусе. вот хочу прочитать содержимое и поанализировать прерывания. чем и как читать и есть ли вероятность что защищено от чтения?
вот примерная схема. пробовал подавать на выходы лог 0 или 1 устройство не стартует. видимо обмен с другим микроконтроллером


Вложения:
pic.JPG [12.75 KiB]
Скачиваний: 1974
Вернуться наверх
 
Не в сети
 Заголовок сообщения: Re: чтение прошивки пика
СообщениеДобавлено: Вс авг 05, 2012 06:54:35 
Вымогатель припоя

Карма: 4
Рейтинг сообщений: 15
Зарегистрирован: Вт июн 29, 2010 12:31:49
Сообщений: 670
Рейтинг сообщения: 0
Пик скорее всего просто включает нагрузку при совпадении последовательности. А значит, его можно выдрать, и нагрузку включать выключателем. Посмотрите, куда заведены остальные ноги. Вряд ли в таком маленьком корпусе смогли разместить какой-то интерфейс.


Вернуться наверх
 
Не в сети
 Заголовок сообщения: Re: чтение прошивки пика
СообщениеДобавлено: Вс авг 05, 2012 07:05:47 
Друг Кота
Аватар пользователя

Карма: 139
Рейтинг сообщений: 2918
Зарегистрирован: Чт янв 10, 2008 22:01:02
Сообщений: 24611
Откуда: Московская область, Фрязино
Рейтинг сообщения: 0
witia03 писал(а):
... вот хочу прочитать содержимое и поанализировать прерывания. чем и как читать и есть ли вероятность что защищено от чтения?
вот примерная схема. пробовал подавать на выходы лог 0 или 1 устройство не стартует. видимо обмен с другим микроконтроллером

Точно защищено. И точно не прочтете.
Впрочем, если есть желание, то можете подключить его к PICKit2 и самолично убедиться в этом.
Схема подключения стандартна. Заодно узнаете какой МК (его ID доступен для чтения в любом случае).
Порядок подключения следующий (от метки на программаторе):
4, 1, 8, 7, 6


Вернуться наверх
 
Не в сети
 Заголовок сообщения: Re: чтение прошивки пика
СообщениеДобавлено: Вс авг 05, 2012 08:40:54 
Вымогатель припоя

Карма: 2
Рейтинг сообщений: 1
Зарегистрирован: Вс фев 13, 2011 20:51:21
Сообщений: 512
Откуда: Спб
Рейтинг сообщения: 0
при подключении зарядного устройства на вывод пика подается напряжение и на дисплее появляется индикация - только зарядка. и если выпаять пик и на нужный вывод подать это напряжение то тоже появляется индикация. а вот включаться без пика не хочет. может же быть что для включения пик отдает не 1 или 0 а какую нибудь цифровую строку другому мк?


Вернуться наверх
 
Эиком - электронные компоненты и радиодетали
Не в сети
 Заголовок сообщения: Re: чтение прошивки пика
СообщениеДобавлено: Вс авг 05, 2012 08:43:12 
Вымогатель припоя

Карма: 4
Рейтинг сообщений: 15
Зарегистрирован: Вт июн 29, 2010 12:31:49
Сообщений: 670
Рейтинг сообщения: 0
У него не одна нога на выход может работать. Проверьте состояние всех до и после ввода кода.


Вернуться наверх
 
Не в сети
 Заголовок сообщения: Re: чтение прошивки пика
СообщениеДобавлено: Вс авг 05, 2012 08:45:29 
Вымогатель припоя

Карма: 2
Рейтинг сообщений: 1
Зарегистрирован: Вс фев 13, 2011 20:51:21
Сообщений: 512
Откуда: Спб
Рейтинг сообщения: 0
TripleKill писал(а):
У него не одна нога на выход может работать. Проверьте состояние всех до и после ввода кода.

да так и есть. и вроде как там на ногах стоит операционник и ключ транзисторный. но это только предположение т.к все макрировки спилены. и хуже всего что я не знаю что происходит при вводе неправильной комбинации т.к нет индикации никакой. запускается по факту правильного ввода. может он на определенное время блочится, а может достаточно перезапустить пик отключив\включив питание


Вернуться наверх
 
Не в сети
 Заголовок сообщения: Re: чтение прошивки пика
СообщениеДобавлено: Вс авг 05, 2012 08:51:16 
Вымогатель припоя

Карма: 4
Рейтинг сообщений: 15
Зарегистрирован: Вт июн 29, 2010 12:31:49
Сообщений: 670
Рейтинг сообщения: 0
Не понял про "так и есть". Несколько сигналов меняются?
По идее пик в таком корпусе должен быть достаточно дубовым устройством, который только и может ногами дёргать. Но я вроде где-то видел 8-выводные пики со встроенным АЦП. Вот потому и предлагаю вам проверить состояние всех ног контроллера до ввода комбинации и после (кроме кнопок, если к ним ничего больше не подведено). Возможно, он что-то измеряет, и дёргает ногой по достижении какого-нибудь значения.

Чтобы состояние ног узнать, достаточно к ним светодиодом подпаяться. Или вольтметром.
Если вы ничего не можете узнать о состоянии ног, то я тем более не смогу.


Вернуться наверх
 
Не в сети
 Заголовок сообщения: Re: чтение прошивки пика
СообщениеДобавлено: Вс авг 05, 2012 09:08:01 
Вымогатель припоя

Карма: 2
Рейтинг сообщений: 1
Зарегистрирован: Вс фев 13, 2011 20:51:21
Сообщений: 512
Откуда: Спб
Рейтинг сообщения: 0
TripleKill писал(а):
Не понял про "так и есть". Несколько сигналов меняются?
По идее пик в таком корпусе должен быть достаточно дубовым устройством, который только и может ногами дёргать. Но я вроде где-то видел 8-выводные пики со встроенным АЦП. Вот потому и предлагаю вам проверить состояние всех ног контроллера до ввода комбинации и после (кроме кнопок, если к ним ничего больше не подведено). Возможно, он что-то измеряет, и дёргает ногой по достижении какого-нибудь значения.

Чтобы состояние ног узнать, достаточно к ним светодиодом подпаяться. Или вольтметром.
Если вы ничего не можете узнать о состоянии ног, то я тем более не смогу.

дело в том что я не знаю пароль. включал на угад несколько раз но не запомнил. вижу 2 варианта- узнать пароль либо убрать пик. если считать не получиться как сказали выше то либо гадать дальше либо убрать пик. сейчас поанализирую



Вам нужно прочитать здесь п. 2.7
viewtopic.php?f=19&t=6538

aen


Вернуться наверх
 
Не в сети
 Заголовок сообщения: Re: чтение прошивки пика
СообщениеДобавлено: Вс авг 05, 2012 10:12:14 
Вымогатель припоя

Карма: 2
Рейтинг сообщений: 1
Зарегистрирован: Вс фев 13, 2011 20:51:21
Сообщений: 512
Откуда: Спб
Рейтинг сообщения: 0
код найден путем подбора


Вернуться наверх
 
Не в сети
 Заголовок сообщения: Re: чтение прошивки пика
СообщениеДобавлено: Вс авг 05, 2012 10:42:22 
Мудрый кот
Аватар пользователя

Карма: 7
Рейтинг сообщений: 93
Зарегистрирован: Ср сен 07, 2011 21:40:30
Сообщений: 1801
Рейтинг сообщения: 0
кодовый замок на шкафчики в детском саду?


Вернуться наверх
 
Не в сети
 Заголовок сообщения: Re: чтение прошивки пика
СообщениеДобавлено: Вс авг 05, 2012 11:12:59 
Вымогатель припоя

Карма: 2
Рейтинг сообщений: 1
Зарегистрирован: Вс фев 13, 2011 20:51:21
Сообщений: 512
Откуда: Спб
Рейтинг сообщения: 0
типа того


Последний раз редактировалось witia03 Пн авг 06, 2012 00:27:55, всего редактировалось 1 раз.

Вернуться наверх
 
Не в сети
 Заголовок сообщения: Re: чтение прошивки пика
СообщениеДобавлено: Вс авг 05, 2012 17:23:32 
Поставщик валерьянки для Кота
Аватар пользователя

Карма: 10
Рейтинг сообщений: 163
Зарегистрирован: Вс янв 09, 2011 16:51:39
Сообщений: 2347
Откуда: Санкт-Ленинград
Рейтинг сообщения: 0
TripleKill писал(а):
где-то видел 8-выводные пики со встроенным АЦП
PIC12F675.

_________________
ICQ нет, и, в ближайшее время, не будет.


Вернуться наверх
 
Не в сети
 Заголовок сообщения: Re: чтение прошивки пика
СообщениеДобавлено: Вс авг 05, 2012 21:21:53 
Друг Кота
Аватар пользователя

Карма: 139
Рейтинг сообщений: 2918
Зарегистрирован: Чт янв 10, 2008 22:01:02
Сообщений: 24611
Откуда: Московская область, Фрязино
Рейтинг сообщения: 0
PIC12F684, PIC12F1822


Вернуться наверх
 
Показать сообщения за:  Сортировать по:  Вернуться наверх
Форум закрыт Эта тема закрыта, Вы не можете редактировать и оставлять сообщения в ней.  [ Сообщений: 13 ] 

Часовой пояс: UTC + 3 часа


Кто сейчас на форуме

Сейчас этот форум просматривают: нет зарегистрированных пользователей и гости: 13


Вы не можете начинать темы
Вы не можете отвечать на сообщения
Вы не можете редактировать свои сообщения
Вы не можете удалять свои сообщения
Вы не можете добавлять вложения

Найти:
Перейти:  


Powered by phpBB © 2000, 2002, 2005, 2007 phpBB Group
Русская поддержка phpBB
Extended by Karma MOD © 2007—2012 m157y
Extended by Topic Tags MOD © 2012 m157y