Например TDA7294

Форум РадиоКот • Просмотр темы - Обратная связь
Форум РадиоКот
Здесь можно немножко помяукать :)

Текущее время: Чт дек 18, 2025 22:01:46

Часовой пояс: UTC + 3 часа


ПРЯМО СЕЙЧАС:



Начать новую тему Ответить на тему  [ Сообщений: 24 ]  1,  
Автор Сообщение
Не в сети
 Заголовок сообщения: Обратная связь
СообщениеДобавлено: Пн авг 24, 2015 16:29:01 
Родился
Аватар пользователя

Зарегистрирован: Ср авг 12, 2015 17:10:32
Сообщений: 16
Откуда: Республика Башкортостан
Рейтинг сообщения: 0
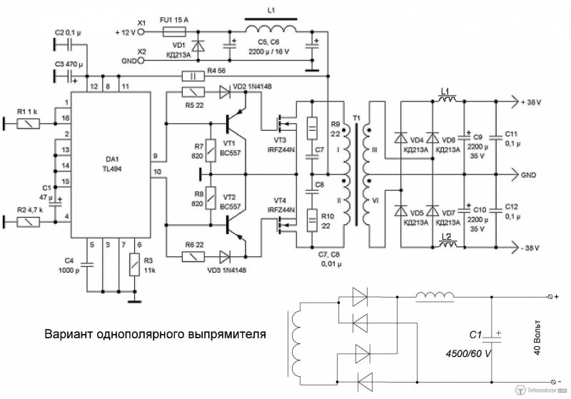
Нужна обратная связь по напряжению, так как под нагрузкой падает напруга, нужно её стабилизировать. Собран преобразователь по этой схеме

Изображение

Есть какие соображения как её можно реализовать?

Напряжение на выходе 50 вольт, мне нужно 40 но стабильных.


Вернуться наверх
 
Не в сети
 Заголовок сообщения: Re: Обратная связь
СообщениеДобавлено: Пн авг 24, 2015 16:46:09 
Поставщик валерьянки для Кота
Аватар пользователя

Карма: 81
Рейтинг сообщений: 444
Зарегистрирован: Чт дек 27, 2012 20:46:09
Сообщений: 2029
Откуда: Болгария, г. Лом
Рейтинг сообщения: 0
Нужно, как минимум, освободить въводъ 1,2,3 494.
С 2 ма 3 последователно сопротивление 47К и кондензатор 10н
С 2 на масу - 4,7к, с 2 на 13,14,15 - 4,7К (два одинаковъх етого порядка)
С 1 на масу 4,7к, с 1 на +40В 70,5к (можно несколко резисторов последователно для достижения 70,5к)

С таких деталях +40 будет стабилнъм, - 40 будет (нестабилнъм), около -40

Забъл. Масу въхода (GND) необходимп соединить с масу 494 въвод 7

_________________
Лом - ето город в Болгарии, а не инструмент юстировки електроники.


Вернуться наверх
 
Не в сети
 Заголовок сообщения: Re: Обратная связь
СообщениеДобавлено: Пн авг 24, 2015 17:02:32 
Родился
Аватар пользователя

Зарегистрирован: Ср авг 12, 2015 17:10:32
Сообщений: 16
Откуда: Республика Башкортостан
Рейтинг сообщения: 0
C 1 на +40 (70,5к) 0,5 ватт хватит, как думаете?


Вернуться наверх
 
Не в сети
 Заголовок сообщения: Re: Обратная связь
СообщениеДобавлено: Пн авг 24, 2015 17:12:38 
Говорящий с текстолитом

Карма: 18
Рейтинг сообщений: 498
Зарегистрирован: Сб дек 14, 2013 16:11:55
Сообщений: 1698
Рейтинг сообщения: 0
можно еще сделать с гальванической развязкой через оптрон(тогда не надо будет соединять земли входа и выхода напрямую), с регулировкой вых. напряжения
1ю часть - как описал botchin выше, но вместо резистора 70к с 1ноги на +40в, поставить ответную часть оптрона(транзисторную половину) на 14й вывод(коллектором).
а 2ю часть - с регулируемым стабилитроном и оптроном
типа так:
Изображение

и дроссель вторичной части намотать на общем сердечнике, с противофазными обмотками - получится ДГС и стабильность отрицательного плеча будет намного выше.


Вернуться наверх
 
Эиком - электронные компоненты и радиодетали
Не в сети
 Заголовок сообщения: Re: Обратная связь
СообщениеДобавлено: Пн авг 24, 2015 17:16:21 
Поставщик валерьянки для Кота
Аватар пользователя

Карма: 81
Рейтинг сообщений: 444
Зарегистрирован: Чт дек 27, 2012 20:46:09
Сообщений: 2029
Откуда: Болгария, г. Лом
Рейтинг сообщения: 0
Там 640 мкА (микро ампера) Формула бъла I*I*R = 0.03W
Так что и 0,25W хватит и 0.125W тоже

Посколько въ написали +/- 38 (взял очки что надо) , то въше приведеннъе въчисления будут работат толко для нижнего въпрямителя. Для верхнего нужно другое напряжение на въходе (ниже +38)

_________________
Лом - ето город в Болгарии, а не инструмент юстировки електроники.


Вернуться наверх
 
Не в сети
 Заголовок сообщения: Re: Обратная связь
СообщениеДобавлено: Пн авг 24, 2015 18:17:13 
Родился
Аватар пользователя

Зарегистрирован: Ср авг 12, 2015 17:10:32
Сообщений: 16
Откуда: Республика Башкортостан
Рейтинг сообщения: 0
По всем рекомендациям, получилось так, нет ли где ошибки?

Изображение


Вернуться наверх
 
Не в сети
 Заголовок сообщения: Re: Обратная связь
СообщениеДобавлено: Пн авг 24, 2015 18:22:53 
Поставщик валерьянки для Кота
Аватар пользователя

Карма: 81
Рейтинг сообщений: 444
Зарегистрирован: Чт дек 27, 2012 20:46:09
Сообщений: 2029
Откуда: Болгария, г. Лом
Рейтинг сообщения: 0
В вторъм сообщением я писал, что мой вариант для нижнего въпрямителя.

Вариант с оптроном я не берусь расчитъвать.

_________________
Лом - ето город в Болгарии, а не инструмент юстировки електроники.


Вернуться наверх
 
Не в сети
 Заголовок сообщения: Re: Обратная связь
СообщениеДобавлено: Пн авг 24, 2015 18:36:33 
Говорящий с текстолитом

Карма: 18
Рейтинг сообщений: 498
Зарегистрирован: Сб дек 14, 2013 16:11:55
Сообщений: 1698
Рейтинг сообщения: 0
а в варианте с оптроном и не надо ничего расчитывать) оно будет от примерно 23в(с гасящим стабилитроном 20в) до максимального. и регулироваться любым потенциометром 10....100к, который и есть задающий делитель для TL431.


Вернуться наверх
 
Не в сети
 Заголовок сообщения: Re: Обратная связь
СообщениеДобавлено: Пн авг 24, 2015 18:44:58 
Поставщик валерьянки для Кота
Аватар пользователя

Карма: 81
Рейтинг сообщений: 444
Зарегистрирован: Чт дек 27, 2012 20:46:09
Сообщений: 2029
Откуда: Болгария, г. Лом
Рейтинг сообщения: 0
Изображение

Fuser, вот вам типовая схема включения 431, там и формула для расчета есть.

Нижная схема для варианта когда движок переменнего резистора в нижнем положение - схема для теста тока при въключенном состояние 431, Скоректируйте схему.

_________________
Лом - ето город в Болгарии, а не инструмент юстировки електроники.


Вернуться наверх
 
Не в сети
 Заголовок сообщения: Re: Обратная связь
СообщениеДобавлено: Пн авг 24, 2015 20:40:59 
Друг Кота
Аватар пользователя

Карма: 123
Рейтинг сообщений: 7959
Зарегистрирован: Сб сен 13, 2014 16:27:32
Сообщений: 39199
Откуда: СпиртоГонск созвездия Омега
Рейтинг сообщения: 0
для болшей стабилности выхода ООС ЧЕРЕЗ ОПТРОН ВЗЯТЬ МЕЖДУ ШИНАМИ +40-40

_________________
ZМудрость(Опыт и выдержка) приходит с годами.
Все Ваши беды и проблемы, от недостатка знаний.
Умный и у дурака научится, а дураку и ..
Алберт Ейнштейн не поможет и ВВП не спасет.и МЧС опаздает


Вернуться наверх
 
Не в сети
 Заголовок сообщения: Re: Обратная связь
СообщениеДобавлено: Пн авг 24, 2015 21:12:52 
Говорящий с текстолитом

Карма: 18
Рейтинг сообщений: 498
Зарегистрирован: Сб дек 14, 2013 16:11:55
Сообщений: 1698
Рейтинг сообщения: 0
botchin писал(а):
...при выключенном состояние 431, Скоректируйте схему.

добавить резистор 1-2к параллельно светодиоду оптрона, этот момент я упустил. подобная схема очень популярна и широко используется во всевозможных импульсниках с стабилизацией.

----------
я вижу проблему лишь только в подсветке оптрона током потребления(около 1ма) 431й в момент, когда она заперта. это везде решается шунтированием оптрона.


Последний раз редактировалось Fuser Пн авг 24, 2015 21:20:52, всего редактировалось 1 раз.

Вернуться наверх
 
Не в сети
 Заголовок сообщения: Re: Обратная связь
СообщениеДобавлено: Пн авг 24, 2015 21:15:34 
Поставщик валерьянки для Кота
Аватар пользователя

Карма: 81
Рейтинг сообщений: 444
Зарегистрирован: Чт дек 27, 2012 20:46:09
Сообщений: 2029
Откуда: Болгария, г. Лом
Рейтинг сообщения: 0
Да подумаите въ, зачем я рълся в тех доке 431, вам и схему дал и описал где проблема въ в Камчатке пошли.

----------
Ето для Fuser
Изображение

1 - потенциометр в верхнем положение Въход 2.5В
2 - в среднем въход 5В
3 - в нижнем. Здсь самое интересное 431 въключилась и на въходе все что может дасть въпрямитель. Ето состояние появится на каком то угле поворота потенциометра. Я расчитъвать не берусь

Fuser, дайте Antonkozirev-у работающую схему, а не первое что вам померещилось.
И не говорите, что обвязка 431 не расчитъвается. Смеха наводите. Я вам и формулъ дал.

_________________
Лом - ето город в Болгарии, а не инструмент юстировки електроники.


Вернуться наверх
 
Не в сети
 Заголовок сообщения: Re: Обратная связь
СообщениеДобавлено: Вт авг 25, 2015 08:17:20 
Говорящий с текстолитом

Карма: 18
Рейтинг сообщений: 498
Зарегистрирован: Сб дек 14, 2013 16:11:55
Сообщений: 1698
Рейтинг сообщения: 0
Я уже писал, что
Fuser писал(а):
...и ДО МАКСИМАЛЬНОГО(напряжения). и регулироваться любым потенциометром 10....100к.

как раз когда движок будет в нижнем положении - это и будет максимальное значение заполнения(напряжения на выходе) когда обратная связь "заглушена" запертой 431.
И не надо мне, пожалуйста, втирать про "первое попавшееся" и неработающие схемы, я вполне успешно(и не только я) собирал источники с такой схемой, и с подстроечным резистором все распрекрасно работало и работает без всяких расчетов. Если нужна точная подстройка - устанавливается многооборотный подстроечник.
Вот если требуется установить фиксированый делитель из постоянных резисторов - вот тогда уже надо делать расчеты.


Вернуться наверх
 
Не в сети
 Заголовок сообщения: Re: Обратная связь
СообщениеДобавлено: Вт авг 25, 2015 08:32:36 
Поставщик валерьянки для Кота
Аватар пользователя

Карма: 81
Рейтинг сообщений: 444
Зарегистрирован: Чт дек 27, 2012 20:46:09
Сообщений: 2029
Откуда: Болгария, г. Лом
Рейтинг сообщения: 0
Antonkozirev писал(а):
Напряжение на выходе 50 вольт, мне нужно 40 но стабильных.


Fuser писал(а):
оно будет от примерно 23в

Пожалуйста, обьясните как точно получите 23В?

Покажите мне хоть 1 (одну) схему где 431 включена так как въ показали (кроме ваших схем)

_________________
Лом - ето город в Болгарии, а не инструмент юстировки електроники.


Вернуться наверх
 
Не в сети
 Заголовок сообщения: Re: Обратная связь
СообщениеДобавлено: Вт авг 25, 2015 09:49:25 
Говорящий с текстолитом

Карма: 18
Рейтинг сообщений: 498
Зарегистрирован: Сб дек 14, 2013 16:11:55
Сообщений: 1698
Рейтинг сообщения: 0
При открытой 431 ток через оптрон пойдет только когда напряжение на выходе превысит падения на: гасящем стабилитроне 20в, тл431 2.5в, и самом оптроне примерно 1в. отсюда и получаем около 23-24в, начиная с которых работает ОС. Правда при таком делителе рабочая часть подстроечника будет всего 1/10 и чтобы ее расширить - над ним(от +) надо добавить постоянный резистор раз в 5-10 больше номиналом.
вот пример, только тут регулировка по опорному напряжению, а не выходному, но сути это не меняет.
http://www.pro-radio.ru/power/13029-4/


Вернуться наверх
 
Не в сети
 Заголовок сообщения: Re: Обратная связь
СообщениеДобавлено: Вт авг 25, 2015 11:05:49 
Поставщик валерьянки для Кота
Аватар пользователя

Карма: 81
Рейтинг сообщений: 444
Зарегистрирован: Чт дек 27, 2012 20:46:09
Сообщений: 2029
Откуда: Болгария, г. Лом
Рейтинг сообщения: 0
431 "откръвается" при напряжение на Ref въводе 2,5В. Но посколько у вас ценер мешает пройти ток через оптрона (431 откръта) то БП будет повъшать напряжение до откръвание ценера (431 да-а-а-а-авно откръта) Зачем тогда там висит ета 431? Вам ее не жалко? Я смотрел тех доке. Везде на Ref въводе регламентируется напряжение 2,5В. Въ там бухаете все 50В. Да ето немного, всего 20 раз въше.

А вот ето верная схема.
botchin писал(а):
Покажите мне хоть 1 (одну) схему где 431 включена так как въ показали
Вопрос то остается.

_________________
Лом - ето город в Болгарии, а не инструмент юстировки електроники.


Вернуться наверх
 
Не в сети
 Заголовок сообщения: Re: Обратная связь
СообщениеДобавлено: Вт авг 25, 2015 11:12:31 
Друг Кота
Аватар пользователя

Карма: 182
Рейтинг сообщений: 8322
Зарегистрирован: Пт фев 04, 2011 17:57:51
Сообщений: 20010
Откуда: Рыбинск
Рейтинг сообщения: 0
Медали: 1
Лучший человек Форума 2017 (1)
Совсем не обязательно на 431 й делать стабилизацию, два стабилитрона на 39В, два резистора и оптрон, включаем между +-40 и все, усилителю, и не только, за глаза хватит.


Вернуться наверх
 
Не в сети
 Заголовок сообщения: Re: Обратная связь
СообщениеДобавлено: Вт авг 25, 2015 11:15:59 
Поставщик валерьянки для Кота
Аватар пользователя

Карма: 81
Рейтинг сообщений: 444
Зарегистрирован: Чт дек 27, 2012 20:46:09
Сообщений: 2029
Откуда: Болгария, г. Лом
Рейтинг сообщения: 0
Вот вам правилное подключение 431
Изображение


Устал я. Делаете как хочется, а потом плачете - не получилось то что надо. Да еще и в драку, чуть ли, не лезете.

Martin76, у 494 есть Ref=5В. Еще в первом своем посте я ответил ТС как надо сделать (только с резисторами - как и положено 494). Они полезли с опронами, 431, ценерами въсшей математики, гравитоцаппу и т.д. и т.п.

_________________
Лом - ето город в Болгарии, а не инструмент юстировки електроники.


Вернуться наверх
 
Не в сети
 Заголовок сообщения: Re: Обратная связь
СообщениеДобавлено: Вт авг 25, 2015 15:06:41 
Родился
Аватар пользователя

Зарегистрирован: Ср авг 12, 2015 17:10:32
Сообщений: 16
Откуда: Республика Башкортостан
Рейтинг сообщения: 0
Всем спасибо за помощь, собрал обратку как рассчитал Botchin через резюк, 70.5 кОм я сменил на прецизионный резистор 100 кОм, теперь регулируется от 0 до максимума, разбег напруги на выходе 0.1 вольт, что не критично. Обратная связь по плюсу, есть небольшое но, на ХХ на плече с отрицательным потенциалом погрешность в 6 вольт, как думаете может выхода немного нагрузить, что-бы выровнять, или дгс витков увеличить? Сейчас дгс содержит 8 витков.


Вернуться наверх
 
Не в сети
 Заголовок сообщения: Re: Обратная связь
СообщениеДобавлено: Вт авг 25, 2015 15:30:23 
Друг Кота
Аватар пользователя

Карма: 182
Рейтинг сообщений: 8322
Зарегистрирован: Пт фев 04, 2011 17:57:51
Сообщений: 20010
Откуда: Рыбинск
Рейтинг сообщения: 0
Медали: 1
Лучший человек Форума 2017 (1)
Вот это правильное
Antonkozirev писал(а):
выхода немного нагрузить


Вернуться наверх
 
Показать сообщения за:  Сортировать по:  Вернуться наверх
Начать новую тему Ответить на тему  [ Сообщений: 24 ]  1,  

Часовой пояс: UTC + 3 часа


Кто сейчас на форуме

Сейчас этот форум просматривают: dds7sdd и гости: 50


Вы не можете начинать темы
Вы не можете отвечать на сообщения
Вы не можете редактировать свои сообщения
Вы не можете удалять свои сообщения
Вы не можете добавлять вложения

Найти:
Перейти:  


Powered by phpBB © 2000, 2002, 2005, 2007 phpBB Group
Русская поддержка phpBB
Extended by Karma MOD © 2007—2012 m157y
Extended by Topic Tags MOD © 2012 m157y